数控机床是一种技术密集度及自动化程度很高的机电一体化加工设备,是综合应用计算机、自动控制、自动检测及精密机械等高新技术的产物。随着数控机床的发展与普及,现代化企业对于懂得数控加工技术、能进行数控加工编程的技术人才的需求量必将不断增加。数控车床是目前使用最广泛的数控机床之一。本文就数控车床零件加工中的程序编制问题进行探讨。

一、编程方法
数控编程方法有手工编程和自动编程两种。手工编程是指从零件图样分析工艺处理、数据计算、编写程序单、输入程序到程序校验等各步骤主要有人工完成的编程过程。它适用于点位加工或几何形状不太复杂的零件的加工,以及计算较简单,程序段不多,编程易于实现的场合等。但对于几何形状复杂的零件(尤其是空间曲面组成的零件),以及几何元素不复杂但需编制程序量很大的零件,由于编程时计算数值的工作相当繁琐,工作量大,容易出错,程序校验也较困难,用手工编程难以完成,因此要采用自动编程。所谓自动编程即程序编制工作的大部分或全部有计算机完成,可以有效解决复杂零件的加工问题,也是数控编程未来的发展趋势。同时,也要看到手工编程是自动编程的基础,自动编程中许多核心经验都来源于手工编程,二者相辅相成。
二、编程步骤
拿到一张零件图纸后,首先应对零件图纸分析,确定加工工艺过程,也即确定零件的加工方法(如采用的工夹具、装夹定位方法等),加工路线(如进给路线、对刀点、换刀点等)及工艺参数(如进给速度、主轴转速、切削速度和切削深度等)。其次应进行数值计算。绝大部分数控系统都带有刀补功能,只需计算轮廓相邻几何元素的交点(或切点)的坐标值,得出各几何元素的起点终点和圆弧的圆心坐标值即可。最后,根据计算出的刀具运动轨迹坐标值和已确定的加工参数及辅助动作,结合数控系统规定使用的坐标指令代码和程序段格式,逐段编写零件加工程序单,并输入CNC装置的存储器中。
三、典型实例分析
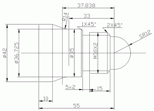
数控车床主要是加工回转体零件,典型的加工表面不外乎外圆柱、外圆锥、螺纹、圆弧面、切槽等。例如,要加工形状如图所示的零件,采用手工编程方法比较合适。由于不同的数控系统其编程指令代码有所不同,因此应根据设备类型进行编程。以西门子802S数控系统为例,应进行如下操作。
(1)确定加工路线
按先主后次,先精后粗的加工原则确定加工路线,采用固定循环指令对外轮廓进行粗加工,再精加工,然后车退刀槽,最后加工螺纹。
(2)装夹方法和对刀点的选择
采用三爪自定心卡盘自定心夹紧,对刀点选在工件的右端面与回转轴线的交点。
(3)选择刀具
根据加工要求,选用四把刀,1号为粗加工外圆车刀,2号为精加工外圆车刀,3号为切槽刀,4号为车螺纹刀。采用试切法对刀,对刀的同时把端面加工出来。
(4)确定切削用量
车外圆,粗车主轴转速为500r/min,进给速度为0.3mm/r,精车主轴转速为800r/min,进给速度为0.08mm/r,切槽和车螺纹时,主轴转速为300r/min,进给速度为0.1mm/r。
(5)程序编制
确定轴心线与球头中心的交点为编程原点,零件的加工程序如下:
主程序
JXCP1.MPF
N05G90G95G00X80Z100(换刀点)
N10T1D1M03S500M08(外圆粗车刀)
-CNAME="L01"
R105=1R106=0.25R108=1.5(设置坯料切削循环参数)
R109=7R110=2R111=0.3R112=0.08
N15LCYC95(调用坯料切削循环粗加工)
N20G00X80Z100M05M09
N25M00
N30T2D1M03S800M08(外圆精车刀)
N35R105=5(设置坯料切削循环参数)
N40LCYC95(调用坯料切削循环精加工)
N45G00X80Z100M05M09
N50M00
N55T3D1M03S300M08(切槽车刀,刀宽4mm)
N60G00X37Z-23
N65G01X26F0.1
N70G01X37
N75G01Z-22
N80G01X25.8
N85G01Z-23
N90G01X37
N95G00X80Z100M05M09
N100M00
N105T4D1M03S300M08(三角形螺纹车刀)
R100=29.8R101=-3R102=29.8(设置螺纹切削循环参数)
R103=-18R104=2R105=1R106=0.1
R109=4R110=2R111=1.24R112=0
R113=5R114=1
N110LCYC97(调用螺纹切削循环)
N115G00X80Z100M05M09
N120M00
N125T3D1M03S300M08(切断车刀,刀宽4mm)
N130G00X45Z-60
N135G01X0F0.1
N140G00X80Z100M05M09
N145M02
子程序
L01.SPF
N05G01X0Z12
N10G03X24Z0CR=12
N15G01Z-3
N20G01X25.8
N25G01X29.8Z-5
N30G01Z-23
N35G01X33
N40G01X35Z-24
N45G01Z-33
N50G02X36.725Z-37.838CR=14
N55G01X42Z-45
N60G01Z-60
N65G01X45
N70M17
四、结束语
要实现数控加工,编程是关键。本文虽然只对一例数控车床加工零件的进行了编程分析,但它具有一定的代表性。由于数控车床可以加工普通车床无法加工的复杂曲面,加工精度高,质量容易保证,发展前景十分广阔,因此掌握数控车床的加工编程技术尤为重要。