第九章 手柄盒
第二节 建立手柄盒右孔
(1)单击菜单“插入”→“基准/点”→“基准平面”,如图9-22中①~③所示。系统弹出“基准平面”对话框,选择“类型”为“按某一距离”,在“距离”文本框中输入90,如图9-22中④和⑤所示。在绘图区移动鼠标选择如图9-22中⑥所示的YZ面作为绘制草图参考平面,单击“确定”图标按钮 ,创建了一个基准面,如图9-22中⑧所示。

图9-22 创建基准面
(2)单击菜单“插入”→“ 任务环境中的草图”,系统弹出“创建草图”对话框,并且已经在“类型”下拉列表框中自动选择了“在平面上”,在“草图平面”栏中选择“平面方法”为“现有平面”,如图9-23中①所示。移动鼠标选择如图9-23中②所示面作为绘制草图平面。单击“确定”图标按钮 ,进入草图绘制界面。

图9-23 选择绘制草图的平面
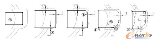
(3)单击“带有隐藏边的线框”按钮 ,单击“曲线上的点”按钮 ,如图9-24中①和②所示。单击“曲线”工具栏中的“矩形 ”按钮,在“矩形”对话框中选择“用2点”方式,如图9-24中③和④所示。在绘图区移动鼠标依次选择两点,如图9-24中⑤和⑥所示,单击“矩形”对话框上的 按钮。

图9-24 绘制草图
(4)单击“草图约束”工具栏中的“自动判断的尺寸”图标按钮,标注出尺寸,如图9-25中①和②所示。单击“约束”工具栏中的“约束”图标按钮,选择与直线重合的矩形上的连线,作“固定”约束,如图9-25中③~⑤所示。标注出12的垂直尺寸,单击工具栏上的“设为对称”图标按钮 ,在绘图区移动鼠标分别选择两条垂直线,然后再移动鼠标选Y轴,如图9-25中⑥~⑨所示,单击“关闭”按钮 。单击“完成草图”图标按钮 退出草图绘制。

图9-25 约束草图并标注尺寸
(5)单击“成形特征”工具栏中的“拉伸 ”按钮,系统弹出“拉伸”对话框并自动激活了“选择曲线”选项,在绘图区移动鼠标选择如图9-26中①所示的刚绘制的矩形,选择“指定矢量”为“-XC”,如图9-26中②所示。在“极限”栏的“结束”下拉列表框中选择“直至下一个”,指定延伸终止面,如图9-26中③和④所示。在“布尔”下拉列表框中选择“求和”,在绘图区移动鼠标指定要相加的目标体,如图9-26中⑤和⑥所示。单击“确定”图标按钮 ,完成实体拉伸,结果如图9-26中⑧所示。

图9-26 拉伸体
(6)隐藏矩形草图。单击“特征操作”工具栏中的“边倒圆 ”按钮,如图9-27所示,将尖角倒圆。

图9-27 尖角倒圆
(7)单击菜单“插入”→“ 任务环境中的草图”,系统弹出“创建草图”对话框,并且已经在“类型”下拉列表框中自动选择了“在平面上”,在“草图平面”栏中选择“平面方法”为“现有平面”,如图9-28中①所示。移动鼠标选择如图9-28中②所示面作为绘制草图平面。单击“确定”图标按钮 ,进入草图绘制界面。

图9-28 选择绘制草图的平面
(8)单击“曲线”工具栏中的“矩形 ”按钮,在“矩形”对话框中选择“用2点”方式,在绘图区移动鼠标依次选择两点,绘制出一个矩形,如图9-29中①所示,单击“矩形”对话框上的 按钮。单击“草图约束”工具栏中的“自动判断的尺寸”图标按钮 ,标注出尺寸,如图9-29中②所示。单击“曲线”工具栏中的“圆角 ”按钮,对矩形右上角倒R5的圆角,如图9-29中③所示,类似地对矩形右下角倒R15的圆角,如图9-29中④所示。单击“草图约束”工具栏中的“约束 ”按钮,分别选择垂直线的下端点和弧线,如图9-29中⑤和⑥所示,作“点在曲线上 ”约束,结果如图9-29中⑦所示。

图9-29 绘制草图
(9)单击“成形特征”工具栏中的“拉伸 ”按钮,系统弹出“拉伸”对话框并自动激活了“选择曲线”选项,在绘图区移动鼠标选择刚绘制的图形,如图9-30中①和②所示。选择“指定矢量”为“ZC”,设置“起点”的“距离”为-5,“结束”的“距离”为20,如图9-30中③和④所示。在“布尔”栏中选择“布尔”为“ 求差”,然后在绘图区移动鼠标指定实体作为要从中扣除的目标体,如图9-30中⑤和⑥所示。单击“确定”图标按钮 完成实体拉伸,如图9-30中⑧所示。

图9-30 拉伸轮廓
(10)隐藏轮廓草图。单击“特征操作”工具栏中的“边倒圆 ”按钮,指定“半径1”为2,如图9-31中①和②所示。在“选择意图”对话框的“曲线”下拉列表框中选择“相切曲线”,在绘图区移动鼠标选择想要倒圆的曲线,如图9-31中③和④所示。单击“确定”图标按钮 创建圆角,结果如图9-31中⑥所示。

图9-31 边倒圆
(11)类似地选择边线,如图9-32中①所示。倒圆角半径为5的圆,如图9-32中②所示。将模型旋转180°后观察的效果如图9-32中③所示。

图9-32 边倒圆