第二章 二维图形创建与编辑
第二节 基本二维图形创建
2.2.9 点
在菜单栏的“绘图”菜单中选择“点”→“单点”命令,可以在绘图区域绘制单个点。而在菜单栏的“绘图”菜单中选择“点”→“多点”命令,可以在绘图区域连续绘制多个点对象。
在一些应用场合,为了使点对象获得视觉上的特定效果,可以根据需要设置点样式。设置点样式的方法如下。
打开菜单栏,从“格式”菜单中选择“点样式”命令,打开如图2-18所示的“点样式”对话框。

图2-18 “点样式”对话框
在“点样式”对话框的列表中选择其中一种点样式。例如选择“点样式”按钮 。
选择“相对于屏幕设置大小”单选按钮,并在“点大小”文本框中设置点大小占屏幕尺寸的百分比。也可以选择“按绝对单位设置大小”单选按钮,并在“点大小”文本框中指定实际单位数值来设置点显示的大小。
单击“点样式”对话框的“确定”按钮。
AutoCAD允许在指定对象上创建定数等分点和定距等分点。
1.定数等分点
将点对象或块沿对象的长度或周长按照设定数目来等间隔排列。注意直线或非闭合多段线的定数等分是从距离选择点最近的端点处开始处理的。
例如,在一个直径为30的圆周上均匀地创建7个点对象,其操作步骤如下。
新建一个使用公制单位的图形文件,在该图形文件中绘制一个直径为30mm的圆。
命令: CIRCLE↙
指定圆的圆心或 [三点(3P)/两点(2P)/切点、切点、半径(T)]: 0,0↙
指定圆的半径或 [直径(D)]: D↙
指定圆的直径: 30↙
打开菜单栏,从“绘图”菜单中选择“点”→“定数等分”命令,接着在命令提示下进行操作。
命令: _divide
选择要定数等分的对象: //选择之前绘制好的圆
输入线段数目或 [块(B)]: 7↙ //输入点数目为7
在该圆上创建定数等分点的前、后效果如图2-19所示。
2.定距等分点
沿选定对象按指定间隔放置点对象,从最靠近用于选择对象的点的端点处开始放置。对于闭合多段线,其定距等分将从它们的初始顶点(绘制的第一个点)处开始;对于圆,其定距等分从设置为当前捕捉旋转角的自圆心的角度开始,如果捕捉旋转角为零,则从圆心右侧的圆周点开始定距等分圆。

图2-19 创建定数等分点效果对比
请看如下一个创建定距等分点的操作实例。
打开菜单栏,从“绘图”菜单中选择“点”→“定距等分”命令,接着在命令提示下进行操作。
命令: _measure
选择要定距等分的对象: //在如图2-20所示的线段大概位置处单击
指定线段长度或 [块(B)]: 12↙ //输入线段长度
创建的定距等分点如图2-21所示。

图2-20 选择要定距等分的对象 图2-21 创建定距等分点
2.2.10 样条曲线
在AutoCAD机械制图应用中,经常使用样条曲线来作为局部剖视图的边界。所述的样条曲线是经过或靠近一组拟合点或由控制框的顶点定义的平滑曲线。样条曲线可以是封闭的,即在绘制时可以使其起点和端点重合。
在AutoCAD 2012中,创建样条曲线的方式有两种,第一种是单击“样条曲线拟合”按钮 通过指定拟合点来创建样条曲线,另一种是单击“样条曲线控制点”按钮 通过定义控制点来创建样条曲线。两者的创建方法都基本相同。下面以通过拟合点创建样条曲线为例进行步骤介绍。
1)在功能区“常用”选项卡的“绘图”面板中单击“样条曲线拟合”按钮 。
2)在绘图区域依次指定若干点,如图2-22所示的点1、点2、点3和点4。
3)按〈Enter〉键确认。
该样条曲线的创建历史记录及说明如下。
命令: _SPLINE //单击“样条曲线拟合”按钮

图2-22 指定若干点绘制样条曲线
当前设置: 方式=控制点阶数=3
指定第一个点或 [方式(M)/阶数(D)/对象(O)]: _M
输入样条曲线创建方式 [拟合(F)/控制点(CV)] <CV>: _FIT
当前设置: 方式=拟合节点=弦
指定第一个点或 [方式(M)/节点(K)/对象(O)]: //指定点1
输入下一个点或 [起点切向(T)/公差(L)]: //指定点2
输入下一个点或 [端点相切(T)/公差(L)/放弃(U)]: //指定点3
输入下一个点或 [端点相切(T)/公差(L)/放弃(U)/闭合(C)]: //指定点4
输入下一个点或 [端点相切(T)/公差(L)/放弃(U)/闭合(C)]:↙//按〈Enter〉键
在创建样条曲线的过程中,可以定义起点切向、端点相切、公差、闭合和方式等参数或选项,其中通过设置“方式”选项可以在“拟合”和“控制点”方式之间切换。
2.2.11 多线
多线又称多行,它是由1至16条平行线组成的。多线的平行线被称为元素。在AutoCAD中,可以根据需要创建多线的命名样式,用来控制元素的数量和每个元素的特性。多线的特性包括元素的总数和每个元素的位置、每个元素与多行中间的偏移距离、每个元素的颜色和线型、每个顶点出现的称为“JOINTS”的直线的可见性、使用的端点封口类型和多行的背景填充颜色。
在绘制多线之前,通常要准备所需的多线命名样式。可以使用包含两个元素的“STANDARD”样式来创建默认样式的多线,也可以使用自定义的多线样式来创建所需的多线。
新建一个多线样式的方法如下。
1)打开菜单栏,从“格式”菜单中选择“多线样式”命令,弹出如图2-23所示的“多线样式”对话框。
2)在“多线样式”对话框中单击“新建”按钮。
3)在出现的“创建新的多线样式”对话框中输入多行样式的名称,如图2-24所示,必要时选择基础样式,然后单击“继续”按钮。
4)弹出如图2-25所示的“新建多线样式:BC_A”对话框。在该对话框中,可设置多线样式的参数,如起点和端点的封口类型、填充颜色、图元偏移参数和颜色等,并添加平行线。需要时,可以在“说明”文本框中输入说明信息,这些说明信息可以包含255个字符,包括空格。

图2-23 “多线样式”对话框 图2-24 “创建新的多线样式”对话框

图2-25 “新建多线样式:BC_A”对话框
1)设置好新多线样式后,单击“新建多线样式:BC_A”对话框中的“确定”按钮。
2)在“多线样式”对话框中单击“保存”按钮将多线样式保存到文件(默认文件为“acad.mln”)。可以将多个多线样式保存到同一个文件中。
3)确认新建多线样式后关闭“多线样式”对话框。
准备好多线样式之后,便可以创建所需要的多线了。请看下面创建多线的操作实例。
1)打开菜单栏,从“绘图”菜单中选择“多线”命令。
2)根据命令提示进行如下操作。
命令: _mline
当前设置: 对正 = 上,比例 = 20.00,样式 = STANDARD
指定起点或 [对正(J)/比例(S)/样式(ST)]: ST↙
输入多线样式名或 [?]: BC_A↙//输入之前创建的新命名多线样式
当前设置: 对正 = 上,比例 = 20.00,样式 = BC_A
指定起点或 [对正(J)/比例(S)/样式(ST)]: 20,20↙
指定下一点: 50,50↙
指定下一点或 [放弃(U)]: 150,50↙
指定下一点或 [闭合(C)/放弃(U)]: 180,20↙
指定下一点或 [闭合(C)/放弃(U)]:↙
绘制的参考多线如图2-26所示。

图2-26 绘制的多线(参考)
2.2.12 圆环
在AutoCAD中,圆环是填充环或实体填充圆,即带有宽度的闭合多段线。创建圆环,需要指定圆环的内外直径和圆心。在执行圆环创建命令的过程中,可以通过指定不同的圆心来继续创建具有相同直径的多个圆环副本。
如果将内径设置为0,则创建实体填充圆。
创建圆环的典型步骤如下。
1)打开菜单栏,从“绘图”菜单中选择“圆环”命令,或者在功能区“常用”选项卡的“绘图”面板中单击“圆环”按钮 。
2)指定圆环的内径。
3)指定圆环的外径。
4)指定圆环的中心点位置。
5)需要时指定另一个圆环的中心点位置,按〈Enter〉键结束命令操作。
下面是创建圆环的一个简单实例。
选择菜单栏的“绘图”菜单中的“圆环”命令,接着根据命令提示进行如下操作。
命令: _donut
指定圆环的内径<10.0000>: 20↙
指定圆环的外径<20.0000>: 30↙
指定圆环的中心点或<退出>: 0,0↙
指定圆环的中心点或<退出>: 30,30↙
指定圆环的中心点或<退出>: 60,0↙
指定圆环的中心点或<退出>: 30, -30↙
指定圆环的中心点或<退出>:↙
绘制的4个圆环如图2-27所示。

图2-27 绘制的4个圆环
2.2.13 填充图案
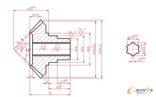
在机械制图中,零件的实体剖面处会被绘上代表特定信息的剖面线。例如,金属零件的实体剖面多被绘制有与水平方向成45°的剖面线,剖面线用间距均匀的细实线绘制,可以向左倾斜也可以向右倾斜。如图2-28所示的齿轮零件视图,便绘制有剖面线。

图2-28 内花键-锥齿轮
可以使用预定义填充图案填充区域、使用当前线型定义简单的线图案,也可以创建更复杂的填充图案。下面以如图2-29所示的剖面为例,在该剖面区域绘制合适的剖面线。

图2-29 绘制剖面线
该实例具体的操作步骤如下。
切换到“AutoCAD 2012经典”工作空间。在“绘图”工具栏中单击“图案填充”按钮 ,或者从菜单栏中选择“绘图”→“图案填充”命令,打开如图2-30所示的“图案填充和渐变色”对话框。
在“图案填充”选项卡的“类型和图案”选项组中,从“图案”下拉列表框中选择“ANSI31”。

图2-30 “图案填充和渐变色”对话框
1)在“角度和比例”选项组中设置角度为0和比例值为1。
2)在“边界”选项组中单击“添加:拾取点”按钮 ,接着分别在图形中的4个封闭区域单击,如图2-31所示。
3)按〈Enter〉键,返回到“图案填充和渐变色”对话框。
4)在“图案填充和渐变色”对话框单击“确定”按钮,完成在指定的区域填充图案,即绘制了剖面线。
值得注意的是,如果开启了功能区(例如在“草绘与注释”工作空间中),在功能区“常用”选项卡的“绘图”面板中单击“图案填充”按钮 ,此时在功能区出现如图2-32所示的“图案填充创建”选项卡,在该选项卡中选定要填充的图案,设定特性等,并根据命令行提示进行相应的操作,最后在功能区的“关闭”面板中单击“关闭”按钮 ,即可完成图案填充操作。在功能区中进行图案填充操作和在对话框中进行的操作实际上是一样的。

图2-31 拾取点以定义填充区域

图2-32 在功能区出现的“图案填充创建”选项卡
2.2.14 面域
面域是用闭合的形状或环创建的二维区域,它具有物理特性(例如质心)。面域可以用于应用填充和着色、使用“MASSPROP”分析特性(例如面积)、提取设计信息(例如形心)和作为创建三维实体的基础截面等。
用于创建面域的环可以是直线、多段线、圆、圆弧、椭圆、椭圆弧和样条曲线的组合。组成环的对象必须闭合或通过与其他对象共享端点而形成闭合的区域。注意:不能通过开放对象内部相交构成的闭合区域构造面域,例如不能使用相交圆弧或自相交曲线构造面域。
在AutoCAD中定义面域的步骤如下。
1)从菜单栏的“绘图”菜单中选择“面域”命令,也可以在“绘图”面板中单击“面域”命令 。
2)选择对象以创建面域。所选择的这些对象必须各自形成闭合区域,例如圆或闭合多段线等。
3)按〈Enter〉键。此时,命令提示下的消息指出检测到了多少个环以及创建了多少个面域。

图2-33 存在的图形
请看下面的操作实例。
假设在图形文件(光盘提供配套的“面域练习.dwg”)中存在着如图2-33所示的一个矩形和6个圆。使用这些图形来创建若干个面域,然后将生成的若干个面域进行差集处理来获得一个面域。
1)构造若干个面域。
从菜单栏的“绘图”菜单中选择“面域”命令,也可以在“绘图”面板中单击“面域”按钮 ,接着根据命令提示进行如下操作。
命令: _region
选择对象: 指定对角点: 找到 7 个 //以窗口选择的方式选择所有图形对象
选择对象:↙
已提取 7 个环。
已创建 7 个面域。
2)求面域差集。
从菜单栏的“修改”菜单中选择“实体编辑”→“差集”命令,接着根据命令提示进行如下操作。
命令: _subtract
选择要从中减去的实体、曲面和面域...
选择对象: 找到 1 个 //选择矩形面域
选择对象:↙
选择要减去的实体、曲面和面域...
选择对象: 找到 1 个 //选择其中一个圆面域
选择对象: 找到 1 个,总计 2 个 //选择第2个圆面域
选择对象: 找到 1 个,总计 3 个 //选择第3个圆面域
选择对象: 找到 1 个,总计 4 个 //选择第4个圆面域
选择对象: 找到 1 个,总计 5 个 //选择第5个圆面域
选择对象: 找到 1 个,总计 6 个 //选择第6个圆面域
选择对象:↙