第七章 绘制常见机械零件图
第二节 绘制齿轮
25)标注表面粗糙度。
(1)单击“插入块”按钮 ,或者在菜单栏中选择“插入”→“块”命令,打开“插入”对话框。
(2)在“名称”列表框中选择“表面粗糙度TSM-下”图形块,接受默认的缩放比例和其他选项,如图7-87所示,单击“确定”按钮。

图7-87 “插入”对话框
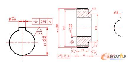
(3)移动光标,在如图7-88所示的尺寸界线上指定一点,此时命令行出现“请输入表面粗糙度参数值”的提示信息,输入“12.5”,按〈Enter〉键,则得到该表面粗糙度标注结果,如图7-89所示。

图7-88 指定放置点 图7-89 标注的表面粗糙度
(4)使用同样的方法,在其他关键位置处标注所需要的表面粗糙度,标注结果如图7-90所示。

图7-90 标注其他关键位置的表面粗糙度
26)标注形位公差。
(1)在命令窗口的命令提示下进行下列操作。
命令: QLEADER↙//输入命令条目“QLEADER”
指定第一个引线点或 [设置(S)] <设置>: S↙//选择“设置”选项
弹出“引线设置”对话框,在“注释”选项卡的“注释类型”选项组中选择“公差”单选按钮,如图7-91所示;切换到“引线和箭头”选项卡,在“箭头”选项组的列表框中选择“实心闭合”选项,如图7-92所示。单击对话框的“确定”按钮。

图7-91 引线注释设置 图7-92 设置引线箭头
(2)结合使用“正交”功能、“对象捕捉”功能等,指定第1个引线点和第2个引线点,如图7-93所示,按〈Enter〉键,弹出“形位公差”对话框。
(3)在“形位公差”对话框的“符号”选项组中单击第1个按钮,弹出“特征符号”对话框,从中单击按钮 。接着在“形位公差”对话框中分别设置公差1和基准1,如图7-94所示。

图7-93 确定两个引线点 图7-94 “形位公差”对话框
(4)在“形位公差”对话框中单击“确定”按钮,完成的该形位公差如图7-95所示。
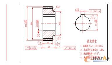
(5)使用同样的方法,在主视图上添加其他形位公差以及绘制基准标识,如图7-96所示。
27)添加技术要求。
单击“多行文字”按钮 ,在标题栏上方的适当位置处插入技术要求的说明内容,如图7-97所示。

图7-95 标注的形位公差 图7-96 标注形位公差及绘制基准标识

图7-97 添加技术要求的文本
28)分别单击“直线”按钮 和“偏移”按钮 等工具,在图框右上角区域绘制如图7-98所示的表格,图中给出了相关的尺寸。

图7-98 绘制表格
29)填写表格。
(1)单击“多行文字”按钮 ,依次选择第1行第1列(从左到右)单元格的两个对角点,在“文字格式”对话框上设置文字样式为“国标-5”,在文本输入框中输入“模数”,如图7-99所示。

图7-99 在单元格内输入文字
(2)在“文字格式”对话框中单击按钮 ,从出现的下拉列表中选择“正中MC”选项,如图7-100所示。

图7-100 设置对正方式
(3)在“文字格式”对话框中单击“确定”按钮。
(4)使用同样的方法,继续在其他单元格中添加信息,填写结果如图7-101所示。

图7-101 填写结果
30)分别单击“多行文字”按钮 和“插入块”按钮 ,标注其余表面粗糙度,如图7-102所示。

图7-102 标注其余表面粗糙度
31)填写标题栏。
双击标题栏,系统弹出“增强属性编辑器”对话框,从中设置各标记对应的值,如图7-103所示。

图7-103 设置属性
设置好之后,单击“增强属性编辑器”对话框中的“确定”按钮,填写好的标题栏如图7-104所示。

图7-104 填写标题栏
32)在命令窗口的当前命令行中输入“Z”或“ZOOM”,进行下列操作。
命令: Z↙ //输入“ZOOM”命令的别名“M”
ZOOM
指定窗口的角点,输入比例因子 (nX 或 nXP),或者
[全部(A)/中心(C)/动态(D)/范围(E)/上一个(P)/比例(S)/窗口(W)/对象(O)] <实时>: A↙
则显示零件图的全部图形,如图7-105所示。

图7-105 完成的齿轮零件图
33)按〈Ctrl+S〉组合键保存文件。