您现在的位置:e-works > 智造书屋 > 书籍列表 > UG NX 7.5基础应用与范例解析 第3版 > 图样标注的内容

第一十四章 图样标注与装配图

第一节 图样标注的内容

14.1.1  创建中心线

向图纸添加视图后,所创建的视图经常有部分结构没有自动绘制中心线,或者某些结构的中心线不正确。在此情况下,可通过“插入”下拉菜单中心线菜单项的级联菜单,或通过如图14-1所示的“注释”工具栏的中心线下拉菜单创建需要的中心线。

1
图14-1 “注释”工具栏

“注释”工具栏中心线下拉菜单各命令的说明如下。

1.“中心标记”
功能:标注线性中心线。
操作说明:单击该按钮后,打开“中心标记”对话框,选择需要标注中心线的对象,单击“确定”按钮,则为所选对象标注中心线,如图14-2所示。

提示:
(1)可以通过“中心标记”对话框的“设置”选项组的A、B、C等值修改中心线的参数,并可在“角度”选项组设置中心线的倾斜角度。
(2)如果在“中心标记”对话框选择“多个中心标记”复选框,当连续选择多个对象后,将分别为每个对象标注中心线,如果不选择该复选框,选择多个对象后标准连续性中心线,如图14-3所示。
(3)可通过继承创建中心线。使用该方法的步骤为:在“中心标记”对话框单击“继承”选项组的“选择中心标记”,首先选择要继承的中心线或中心标记,然后选择需要创建中心线或中心标记的对象,则所选的后一对象的中心线继承前一对象中心线的格式,如图14-4所示。

1
图14-2  标注线性中心线

a) 标注前  b) 标注后

1
图14-3  标注多个对象的中心线

a) 选择“多个中心标记”复选框  b) 不选择“多个中心标记”复选框

1
图14-4  使用继承创建中心线

a) 创建前  b) 创建后


2.“螺栓圆中心线”
功能:标注按圆周分布的孔的整圆螺栓圆中心线,如图14-5所示。
操作说明:单击该按钮后,在打开的“螺栓圆中心线”对话框“类型”下拉列表框选择“通过3个或更多点”选项,选择圆周分布的各个圆的圆心,最后单击“确定”按钮,可创建整圆螺栓孔中心线。

提示:
(1)若在“类型”下拉列表框选择“中心点”选项,则可首先选择中心点,然后依次选择按圆周分布的圆。
(2)各个圆的圆心必须在同一圆周上。
(3)如果在“放置”选项组取消“整圆”复选框的选择,将创建不完整螺栓圆中心线,如图14-6所示。但标注部分螺栓圆中心线应当按逆时针方向选择对象。

1
图14-5  完整螺栓圆中心线

1
图14-6  不完整螺栓圆中心线


3.“圆形中心线”
功能:创建按圆周分布的圆的整圆中心线或不完整圆中心线,如图14-7和图14-8所示。
操作说明:该选项的操作过程与螺栓圆中心线的创建过程相似。

1
图14-7  整圆中心线

1
图14-8  不完整圆中心线


4.“对称中心线”
功能:标注对称符号,如图14-9所示。
操作说明:执行该命令后,从打开的“对称中心线”对话框的“类型”下拉列表框选择“起点和终点”选项,首先选择第一点,然后选择第二点,单击“确定”按钮,则在所选两点附近标注对称符号。也可在“类型”下拉列表框选择“从面”选项,然后选择圆柱面创建对称符号。

5.“2D中心线”
功能:使用曲线或控制点来限制中心线的长度,从而创建 2D 中心线。
操作说明:执行该命令后,打开“2D中心线”对话框,从“类型”下拉列表框选择“根据点”选项,可根据指定的两点创建线性中心线,如图14-10所示;如果从“类型”下拉列表框选择“从曲线”选项,可根据选择的两条曲线创建中心线,如图14-11所示。

1
图14-9  标注对称符号

1
图14-10  根据两点创建中心线

1
图14-11  根据两条曲线创建中心线


6.“3D中心线”
功能:可以在扫掠面或分析面(例如圆柱面、锥面、直纹面、拉伸面、回转面、环面和扫掠类型面等)上创建 3D 中心线。
操作说明:单击该按钮后,选择某个表面,在“3D中心线”对话框单击“确定”按钮,可创建该表面的中心线。例如,在执行该命令后,选择如图14-11所示的管表面后单击“确定”,可创建与图14-11所示相同的中心线。

7.“自动中心线”
功能:此选项可自动在任何现有的视图(孔或销轴与图纸视图的平面垂直或平行)中创建中心线。如果螺栓圆孔不是圆形实例集,则将为每个孔创建一条线性中心线。
操作说明:单击该按钮后,选择需要标注中心线的视图,单击“确定”按钮,可为该视图自动创建中心线。

14.1.2  尺寸标注

尺寸标注是绘制工程图的重要内容,通过“插入”下拉菜单的“尺寸”菜单项的级联菜单或如图14-12所示的“尺寸”工具栏可创建各种尺寸标注。

1
图14-12 “尺寸”工具栏


1.尺寸标注类型
“尺寸”工具栏各尺寸标注类型如下。
(1)“自动判断尺寸” :根据所选的标注对象和光标位置自动推断尺寸标注类型。
(2)“水平尺寸” :在选择的两个点之间标注水平尺寸。
(3)“竖直尺寸” :在选择的两个点之间标注垂直尺寸。
(4)“平行尺寸” :在选择的两个点之间标注平行尺寸,如图14-13所示。
(5)“垂直尺寸” :标注选择的直线和指定点之间的垂直尺寸,即标注点和直线间的距离,如图14-14所示。

1
图14-13  标注平行尺寸

1
图14-14  标注垂直尺寸

(6)“倒斜角尺寸” :标注倒角尺寸,此选项仅支持45°倒斜角。
(7)“角度尺寸” :在不平行的两条直线之间标注角度尺寸,该角度尺寸沿逆时针方向测量。
(8)“圆柱尺寸” :为圆柱的轮廓视图标注直径尺寸,直径符号会自动附加至尺寸。
(9)“孔尺寸” :用一条引出线标注圆形特征的直径。
(10)“直径尺寸” :对圆或圆弧的直径进行尺寸标注。创建的尺寸具有两个箭头,这两个箭头指向圆或圆弧相对的两侧。
(11)“半径尺寸” :用箭头指向圆弧的引出线标注圆或圆弧的半径,如图14-15所示。
(12)“过圆心的半径尺寸” :用从圆心引出的引出线标注圆或圆弧的半径,如图14-16所示。
(13)“带折线的半径尺寸” :标注大圆弧的半径。标注前,首先单击“曲线”工具栏的“点”图标按钮 ,在圆弧的下方合适位置绘制一点作为尺寸线的起点,单击该按钮,接着选择圆弧,随后选择上述绘制的点,之后指定折弯位置,最后拖动尺寸放置于合适的位置,如图14-17所示。

1
图14-15 “半径尺寸”标注

1
图14-16 “过圆心的半径尺寸”标注

1
图14-17 “带折线的半径尺寸”标注

(14)“厚度尺寸” :标注两个对象(如直线、同心圆弧)之间的距离。
(15)“弧长尺寸” :标注弧长。
(16)“水平链尺寸” :标注连续的水平尺寸,如图14-18所示。标注时,依次选择需要标注尺寸的多个对象,最后在合适的位置放置尺寸。
(17)“竖直链尺寸”  :标注连续的垂直尺寸,操作过程与标注水平连续尺寸相同。
(18)“水平基准线尺寸” :其操作过程与标注连续的水平尺寸相似,区别在于水平基线标注以选择的第一个对象作为基准,如图14-19所示。
(19)“竖直基准线尺寸” :竖直尺寸基线标注,其操作过程与水平尺寸基线标注相同。

1
图14-18  “水平连续尺寸”标注

1
图14-19  “水平基准线尺寸”标注


2.尺寸标注参数设置
在进行图样标注之前,为了使标注符合国家标准,需要首先进行注释参数的设置。从“首选项”下拉菜单选择“注释”命令,打开“注释首选项”对话框,根据国家标准和制图需要应进行以下参数设置。
(1)尺寸参数设置
打开“尺寸”选项卡,根据如图14-20所示进行如下参数设置。
选择尺寸放置方式:在尺寸放置方式下拉列表框选择“自动放置” ,即在指定尺寸的放置位置后自动放置尺寸文本,并在其右侧的下拉列表框选择“箭头之间有线” 。
设置尺寸文本位置:在尺寸文本位置下拉列表框选择“文本在尺寸线上方” ,即尺寸文本位于尺寸线上方。
尺寸精度及公差形式:在尺寸精度下拉列表框选择“1”,即保留小数点后一位;在公差形式下拉列表框选择“无公差” 。
倒角尺寸设置:在“倒斜角”选项组的各个下拉列表框按照图14-20进行设置,并在“间距”文本框设置文字间距为0.1。
直线和箭头设置:打开“直线/箭头”选项卡,在左上角第一个下拉列表框选择“填充的箭头” ,即设置尺寸箭头为实心,在其右侧的列表框同样选择填充的箭头,在“D”文本框设置为1,在“E”文本框设置为1.5。
径向尺寸设置:打开“径向”选项卡,在“A”文本框设置为0.1,然后单击“横线上的文本”图标按钮 。
(2)文字设置
打开“文字”选项卡,该选项卡用于设置尺寸文本的大小及文本间隙等参数,经常需要设置的是尺寸文本的大小和公差文本的大小。尺寸文本需要根据视图的大小进行设置,通常公差文本的大小应该略大于尺寸文本的1/2,在“文字类型”选项组依次单击“尺寸”、“附加的”、“公差”和“一般”按钮可分别进行不同的设置,本节在其他参数不变的情况下,单击“公差”按钮,在“字符大小”文本框设置为1.6。
(3)单位设置
打开“单位”选项卡,在左上角第一个下拉列表框选择“小数点字符为句点” ,在“零显示”下拉列表框取消“后置零-尺寸和公差”复选框的选择;在“角度格式”选项组上方的下拉列表框选择单位为“毫米”,其余参数不变。
完成所有设置后单击“确定”按钮关闭对话框,则所作的参数设置应用于后续创建的尺寸和注释。

1
图14-20 “注释首选项”对话框


14.1.3  文本注释标注

选择“插入”→“注释”→“注释”菜单命令,或单击“注释”工具栏的“注释”图标按钮 ,打开如图14-21所示的“注释”对话框,利用该对话框可以根据需要添加文本。
在“文本输入”选项组的列表框展开“格式化”选项组,在第一个下拉列表框选择“Chinesef_fs”(即仿宋字体),此时在文本框中显示“〈F2〉”和“〈F〉”,二者为字体的设置。在两个符号之间输入文本,如图14-21所示,此时移动光标时文本随光标移动,单击鼠标左键可放置文本。
如果需要采用引出的方式放置文本,可展开“指引线”选项组,在“类型”下拉列表框选择指引线的形式;必要时可通过“设置”选项组设置文字样式和对齐方式。

14.1.4  形位公差标注

形位公差是重要的技术要求,选择“插入”→“注释”→“特征控制框”菜单命令,或单击“注释”工具栏的“特征控制框”图标按钮 ,利用如图14-22所示的“特征控制框”对话框可以进行形位公差的标注。
在“特征控制框”对话框“框”选项组的“特性”下拉列表框可选择形位公差符号,并可在“框样式”下拉列表框选择“单框”或“复合框”两种格式。
形位公差参数在“公差”选项组进行设置。该选项组左侧第一个下拉列表框用于选择公差的符号,中间的文本框用于设置公差数值,右侧的下拉列表框用于设置公差材料要求;“主基准”选项组用于设置主基准,根据需要可在“第二基准参考”和“第三基准参考”选项组设置其余的基准。

14.1.5  表面粗糙度标注

表面粗糙度决定了零件的表面质量,也是零件图重要的技术要求。选择“插入”→“注释”→“表面粗糙度符号”菜单命令,或单击“注释”工具栏的“表面粗糙度符号”图标按钮 ,打开如图14-23所示的“表面粗糙度”对话框,利用该对话框可标注零件的表面粗糙度要求。
标注表面粗糙度的一般步骤如下。
(1)在“属性”选项组的“材料移除”下拉列表框选择表面粗糙度符号。
(2)在图例下方的下拉列表框设置参数。
(3)通过“设置”选项组设置样式及角度。
(4)选择对象标注表面粗糙度符号。

1
图14-21 “注释”对话框

1
图14-22 “特征控制框”对话框

1
图14-23 “表面粗糙度”对话框


14.1.6  端盖标注范例

本节以端盖为例介绍图样的标注过程,操作步骤如下。

1.打开光盘文件
打开光盘文件“UGNXpart\chapter14\ draft_cap.prt”,进入制图应用模块,并按照14.1.2节中所述设置尺寸标注的参数。

2.标注圆柱形直径尺寸
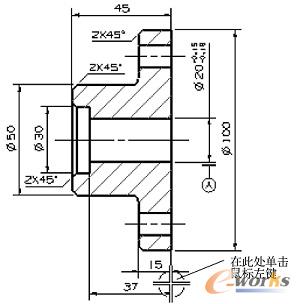
单击“尺寸”工具栏的“圆柱尺寸”图标按钮 ,首先在主视图选择如图14-24所示的圆柱面的第一条边,然后选择第二条边,随后向左移动光标至合适的位置,单击鼠标左键放置尺寸,如图14-25所示。

1
图14-24  选择标注对象

1
图14-25  标注直径尺寸

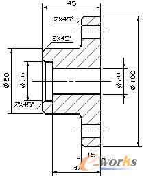
利用上述同样方法,在主视图标注如图14-26所示的其他尺寸。

3.标注圆的直径尺寸
单击“尺寸”工具栏的“直径尺寸”图标按钮 ,在图形窗口左上角弹出的工具栏单击“尺寸标注样式”图标按钮 ,在打开的对话框打开“尺寸”选项卡,选择尺寸的放置方式为“手工放置-箭头在内” ,单击“确定”按钮关闭对话框,然后在左视图选择过4个圆孔的圆形中心线,最后在合适的位置放置尺寸,标注如图14-27所示的直径尺寸。

1
图14-26  标注圆柱形直径尺寸

1
图14-27  标注圆的直径尺寸

此时“直径”命令并未退出,选择左视图中右侧的小圆,单击图形窗口左上角弹出工具栏的“文本编辑器”图标按钮 ,在打开的“文本编辑器”对话框单击“附加文本”选项区的“之前”图标按钮 ,在下面的文本框内输入“4×”,然后选择输入的文本,在对话框左上角的下拉列表框设置字体为“chinesef”,并在其右侧的下拉列表框选择“2”,如图14-28所示,单击“确定”按钮关闭文本编辑器。再单击工具栏的“尺寸标注样式”图标按钮 ,在“文字”选项卡单击“附加文本”按钮,在“尺寸/附加的文本间距因子”文本框设置为0.1,单击“确定”按钮关闭对话框,最后放置尺寸,得到如图14-29所示的小圆的直径尺寸。

1
图14-28 “文本编辑器”对话框

1
图14-29  带有附加文本的直径尺寸


提示:
(1)在标注尺寸后,用鼠标选择某个尺寸,然后按住鼠标左键并移动,可以将所选的尺寸进行移动,该操作便于调整各个尺寸之间的相对位置,以保证其他尺寸有足够的放置空间。
(2)执行某个标注尺寸的命令后,可根据需要在图形窗口左上角弹出的工具栏单击“尺寸样式”图标按钮,修改尺寸标注的某些参数,但所作的修改仅对执行该次标注命令有效,退出该命令后便无效,对后续其他操作不起作用。

4.标注水平线性尺寸
单击“尺寸”工具栏的“水平尺寸”图标按钮 ,在主视图标注如图14-30所示的尺寸。

5.标注倒角尺寸
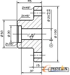
单击“尺寸”工具栏的“倒斜角”图标按钮 ,在主视图选择倒角的斜边标注倒角尺寸,如图14-31所示。

1
图14-30  标注水平尺寸

1
图14-31  标注倒角尺寸


6.标注尺寸公差
(1)设置公差形式。在主视图中双击中心孔的直径尺寸“?20”,然后在图形窗口左上角弹出的“编辑尺寸”对话框选择尺寸公差的形式为“双向公差”,如图14-32所示。
(2)设置公差值。在主视图中双击该尺寸的公差部分,在弹出的对话框设置如图14-33所示的公差值。

1
图14-32  选择公差形式

1
图14-33  设置尺寸公差

(3)设置公差尺寸的显示参数。在图形窗口左上角弹出的工具栏单击“尺寸标注样式”图标按钮 ,在打开对话框的“文字”选项卡单击“公差”按钮,在“字符大小”文本框设置为1.8,在“尺寸/公差文本间距因子”文本框设置为0.2,单击“确定”按钮关闭对话框。最后按〈Esc〉键结束尺寸公差的编辑,得到的尺寸公差如图14-34所示。

1
图14-34  设置尺寸公差


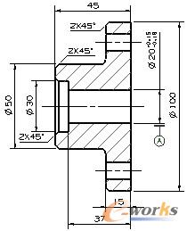
7.标注形位公差
(1)添加基准符号
选择“插入”→“注释”→“基准特征符号”菜单命令,或单击“注释”工具栏的“基准特征符号”图标按钮 ,在打开的“基准特征符号”对话框的“指引线”选项组 “类型”下拉列表框选择 ,在“基准标识符”选项组的“字母”文本框输入“A”,单击“选择终止对象”图标按钮 ,在如图14-35所示的尺寸线箭头和尺寸界线相交点附近单击鼠标左键,然后向下移动光标并单击鼠标左键放置基准符号,如图14-36所示。

1
图14-35  指定基准符号位置

1
图14-36  创建基准符号

(2)添加形位公差
选择“插入”→“注释”→“特征控制框”菜单命令,或单击“注释”工具栏的“特征控制框”图标按钮 ,在打开对话框的“特性”下拉列表框选择 ,在“框样式”下拉列表框选择“单框”,在公差文本框输入0.035,在“主要基准参考”下拉列表框选择“A”,在“指引线”选项组的“类型”下拉列表框选择“普通”选项,单击“选择终止对象”图标按钮 ,在如图14-37所示的位置单击鼠标左键,随后水平向右移动光标,在合适的位置单击鼠标左键放置形位公差,如图14-38所示。

1
图14-37  指定形位公差的箭头位置

1
图14-38  创建形位公差


8.标注表面粗糙度
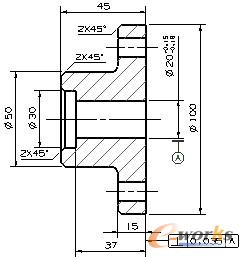
选择“插入”→“注释”→“表面粗糙度符号”菜单命令,在打开的“表面粗糙度”对话框的“属性”选项组“材料移除”下拉列表框选择“需要移除材料”选项,在“下部文本(a2)”下拉列表框输入1.6,在主视图选择直径为20的孔的下轮廓,创建的表面粗糙度符号如图14-39所示。
在“表面粗糙度”对话框“指引线”选项组的“类型”下拉列表框选择 ,单击“选择终止对象”图标按钮 ,然后选择如图14-40所示的孔的下轮廓线,随后向右移动光标,在图中所示的位置附近单击鼠标左键创建表面粗糙度符号。
最后依次单击“取消”按钮关闭各对话框,创建的表面粗糙度如图14-40所示。

1
图14-39  在轮廓线上标注表面粗糙度

1
图14-40  在轮廓延长线上标注表面粗糙度


9.添加图框和标题栏
(1)绘制图框和标题栏
单击“曲线”工具栏的“直线”图标按钮 ,打开“直线”对话框,从“起点选项”下拉列表框选择“点”选项,单击“选择点”右侧的“点对话框”图标按钮 ,在打开的“点”对话框设置点的坐标为(10,10),单击“确定”按钮关闭“点”对话框;然后水平向右移动光标,在弹出的对话框设置直线长度为400,按〈Enter〉键,单击“应用”按钮完成第一条直线的绘制。然后依次捕捉上述直线的两个端点向上绘制两条长度为277的垂直线,最后捕捉上述两条垂直线的端点绘制直线完成图框的绘制。利用上述同样的方法按照如图14-41所示的尺寸绘制标题栏。

1
图14-41  标题栏及其尺寸

(2)编辑图线的显示
从“编辑”下拉菜单选择“对象显示”命令,选择图框和标题栏外框的直线,单击“确定”按钮关闭“类选择”对话框,在 “编辑对象显示”对话框的“宽度”下拉列表框选择“正常宽度” ,单击“确定”按钮关闭对话框。
(3)添加标题栏内容
单击“注释”工具栏的“注释”图标按钮 ,在打开的“注释”对话框的列表框中输入“端盖”,然后用鼠标将其选择,在其上方的字体下拉列表框选择“chinesef”选项,并在其右侧的下拉列表框选择“3”,随后移动光标使文字位于标题栏左上角的空格内,单击鼠标左键放置文本。然后采用上述方法,利用“注释”对话框按照如图14-42所示的内容填写标题栏,最后完成的端盖图样如图14-43所示。

1
图14-42  添加标题栏内容

1
图14-43  端盖的图样