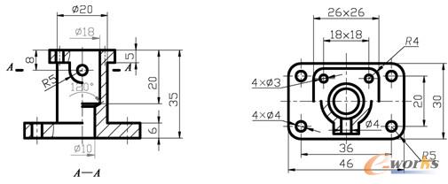
半剖视图的标注方法与全剖视图的标注方法相同。半剖视图的标注方法如图3-25所示,主视图通过机件的对称面剖切,剖视图按投影关系配置,中间又无其他图形隔开,所以省略标注。俯视图中,因剖切面未通过机件的对称面,故需标注,图形按投影关系配置,中间无其他图形分隔,箭头可以省略。

图3-25半剖视图的标注方法
在画半剖视图时,应注意以下几个问题。
1)在半剖视图中视图和剖视图的分界是细点画线,不能画成粗实线或其他类型图线。
2)因机件对称,其内部结构和形状已在对称点画线的另一半剖视图中表达清楚,所以,在表达外形的那一半视图中该部分的虚线一律不画。
3)表达内形的那一半剖视图的习惯位置是:图形左、右对称时剖右半部分;前、后对称时剖前半部分。
4)半剖视图标注尺寸的方法、步骤与全剖视图基本相同,不同的是有些结构由于半剖,其轮廓线只画一半,另一侧虚线省略不画。标注这部分尺寸时,要在有轮廓线的一端画尺寸界线,尺寸线略超过对称中心线,只在有尺寸界线的一端画箭头,尺寸数值标注该结构的完整尺寸,如图3-25中所示的Ф18,Ф10等。
3.局部剖视图
用剖切平面局部剖开机件,所得到的剖视图称为局部剖视图,如图3-26b所示。

图3-26局部剖视图(一)
局部剖视图适用范围主要有以下几个方面。
1)局部剖视图主要用于机件内、外结构形状都比较复杂,且不对称的情况。如图3-26a所示机件,其内部有大、小不同的圆柱空腔,前面右下方有圆形凸台,凸台内有正垂小圆孔与中间圆柱内腔穿通。该机件内、外形状均需要表达,并且机件前、后、左、右均不对称。若将主视图画成全剖视图,机件的内部空腔的形状和高度都能表示清楚,但右下前方圆凸台被剖掉,其形状和位置都不能表达。机件左、右不对称,又不适合取半剖,因此只能取局部剖视图,这样既表达了外形又表达了内形,其外形部分表达了右侧圆柱凸台的形状、位置和底板的形状,其剖视部分表达了右下前方正垂小孔与中间圆柱空腔穿通的情况。
2)机件上有局部结构需要表示时,也可用局部剖视图,如图3-25所示顶板、底板上小孔。
3)实心杆、轴上有小孔或凹槽时常采用局部剖视图。如图3-27a所示,用局部剖视图表示轴上键槽的形状和深度。
4)当对称图形的中心线与图形轮廓线重合不宜采用半剖视图时,应采用局部剖视图,如图3-27b所示。

图3-27局部剖视图(二)
局部剖视图中,视图与剖视图的分界线为细波浪线或双折线。波浪线表示假想断裂面的投影,因此要注意以下几点。
1)波浪线不能超出剖切部分的图形轮廓线(因轮廓线之外无断面),如图3-28所示。
2)剖切平面和观察者之间的通孔、通槽内不能画波浪线(即波浪线不能穿空而过),如图3-28所示。

图3-28局部剖视图中波浪线的画法(一)
3)波浪线不能与图形上的其他任何图线重合,或画在轮廓线的延长线上,如图3-29所示。
画局部剖视图时,剖开机件范围的大小要根据机件的结构特点和表达的需要而定。如图3-26b,主视图为了表示中间圆柱孔的高度,剖得范围必须大些;而如图3-25所示底板上小孔则不必剖得范围太大,只要将小孔深度表示清楚就可以了。

图3-29局部剖视图中波浪线的画法(二)
局部剖视图能同时表达机件的内、外部结构形状,不受机件是否对称的约束,剖开范围的大小、剖切位置均可根据表达需要确定,因此局部剖视图是一种比较灵活的表达方法。但是同一个视图中采用局部剖视不宜过多,以免使图形过于零乱,给读图带来困难。
4.局部剖视图标注方法
局部剖视图标注方法与全剖视图相同。单一剖切面剖切,位置明显时可省略标注,如图3-26b和图3-27所示。
ICP经营许可证:鄂B2-20080078
(于2003年首获许可证:鄂B2-20030029)
鄂公网安备:420100003343号
© 2002-2025 武汉制信科技有限公司 版权所有
投诉举报电话:027-87592219