第六章 简单零件的绘制

第四节 压盖的绘制

    1)启动AutoCAD 2013软件,选择“文件”→“打开”菜单命令,将“案例\06\机械样板.dwt”文件打开,执行“文件”→“另存为”菜单命令,将其另存为“案例\06\压盖.dwg”文件。

    2)选择“中心线”图层为当前图层。执行“直线(L)”命令,绘制两条相互垂直的直线段作为压盖主视图的中心线,长度约为180。

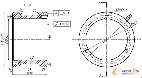
    3)将“粗实线”图层设置为当前图层,执行“圆(C)”命令,以两条中心线的交点作为圆心点,绘制直径为145、109的圆,然后再在“中心线”图层绘制直径为120、129的圆,如图6-19所示。

13
图6-19绘制中心线和圆

    注意:由于该图形的尺寸较大,用户在绘制前,可在工具栏选择“格式”→“线型”菜单命令,将全局比例改为2,并在“格式”→“标注样式”菜单中将“箭头”值改为2,文字高度改为3.5。

    4)以绘制的?120圆上侧象限点为圆心绘制一个直径为8的小圆对象,并执行“阵列(AR)”命令,根据前面讲的方法将绘制的小圆对象以“极轴”方式进行环形阵列,阵列数目为3,如图6-20所示。

14
图6-20绘制并阵列小圆

    5)压盖的左视图绘制好后,再执行“直线(L)”命令,捕捉左视图的相应交点向左分别引伸多条水平线段,再在左侧绘制一条垂直线段,如图6-21所示。

    6)执行“偏移(O)”命令,将绘制的垂直线向右依次偏移17、54、19,并进行修剪操作,如图6-22所示。

15
图6-21引伸并绘制直线
16
图6-22压盖主视图的创建

    注意:由于压盖的主视图上、下侧比较对称,在修剪时,可暂时只绘制一半,然后进行镜像操作就可以了。

    7)执行“镜像(MI)”命令,将上侧轮廓向下镜像一次,并对部分轮廓进行倒角操作,如图6-23所示。

17
图6-23镜像与倒角

    8)切换到“剖面线”图层,然后执行“图案填充(H)”命令,将压盖的主视图内部进行填充,如图6-24所示。

    9)再切换到“尺寸与公差”图层,根据前面讲的标注方法进行线性尺寸的标注,其标注后的最终效果,如图6-25所示。

    10)在标注好基本尺寸后,由于此机件的精确度较高,对部分尺寸还得标注公差,此时,可用鼠标选中直径尺寸,然后按〈Ctrl+1〉组合键打开“特性”面板,找到“公差”栏,在公差的上、下偏差栏内输入偏差值即可,如图6-26所示。

18
图6-24图案填充图6-25尺寸标注
19
图6-26尺寸公差的标注

    11)采用与第10)步相同的方法对其他公差尺寸进行相应的编辑标注。
    注意:用户在标注尺寸公差时,如果上、下公差不一致,这时可以选择“极限偏差”的标注方法。但一定要注意的是上偏差始终大于下偏差(也就是偏差值大的在上面,值小的在下面)。
    12)在标注偏差值后,接下来对形位公差进行标注。首先执行“插入块(I)”命令,将“案例/04/基准符号”块插入到规定位置处,如图6-27所示。

20

    13)在“标注”工具栏中选择“公差”标注命令,在弹出的“形位公差”对话框中设置相应的符号和偏差值,再插入到图形中并用引线连接起来即可,如图6-28所示。
    14)同样,再执行“插入块(I)”命令,将“案例/04/粗糙度符号”插入到规定位置处,如图6-29所示。

21
图6-28形位公差的标注
22
图6-29粗糙度符号的标注

    15)最后,对剖面符号和剖视图的名称进行创建,直接单击“标注”工具栏中的“引线”按钮,并用“单行文字”命令进行图名的标注,其最终的效果如图6-30所示。

23

图6-30压盖的标注效果

    16)到此,压盖的绘制就完成了,直接按〈Ctrl+S〉组合键即可进行保存。