基础实体特征主要包括实体类的拉伸特征、旋转特征、扫描特征、可变剖面扫描特征和混合特征等。在三维实体模型中经常要先创建基础特征,然后在基础特征的基础上创建其他所需的特征。下面结合范例介绍实体类的基础特征。
3.2.1 拉伸特征
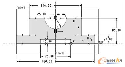
拉伸特征是指将二维剖面拉伸到垂直于草绘平面的指定距离来创建的特征。典型的拉伸特征示例如图3-1所示。

图3-1 创建拉伸特征
进入零件建模模式,在功能区“模型”选项卡的“形状”面板中单击“拉伸”按钮
,系统在功能区显示如图3-2所示的“拉伸”选项卡。“拉伸”选项卡中具有3个滑出面板标签,即“放置”、“选项”和“属性”,它们的功能含义如下。

图3-2 功能区出现的“拉伸”选项卡

图3-3 “选项”面板

图3-4 “属性”面板
下面通过一个底座零件设计范例讲解创建拉伸实体特征的典型方法及步骤。
1.新建零件文件
1)在“快速访问”工具栏中单击“新建”按钮
,或者单击“文件”按钮并从文件菜单中选择“新建”命令,系统弹出“新建”对话框。
2)在“类型”选项组中选择“零件”单选按钮,在“子类型”选项组中选择“实体”单选按钮;在“文本”文本框中输入“bc_3_dz”,单击“使用默认模板”复选框以取消使用默认模板,然后单击“确定”按钮。
3)系统弹出“新文件选项”对话框,从“模板”选项组中选择“mmns_part_solid”,然后单击“确定”按钮,从而新建一个零件文件并进入零件设计模式。在新零件文件中,已经存在着预定义好的一个基准坐标系和三个相互正交的基准平面(RIGHT、FRONT和TOP)。

图3-5 设置显示平面标记
2.创建拉伸实体特征
1)在功能区“模型”选项卡的“形状” 面板中单击“拉伸”按钮
,打开“拉伸”选项卡。默认情况下,“拉伸”选项卡中的“实体”按钮
处于被选中的状态。
2)在“拉伸”选项卡中选择“放置”选项,打开“放置”面板,如图3-6所示,接着单击该面板中的“定义”按钮,弹出“草绘”对话框。选择“FRONT(基准平面)”作为草绘平面,默认以“RIGHT(基准平面)”作为“右”方向参照,如图3-7所示,然后单击“草绘”按钮,进入草绘模式。

图3-6 打开“放置”面板

图3-7 选择草绘平面

3)功能区出现“草绘”选项卡,在“草绘”选项卡的“设置”面板中单击“草绘视图”按钮
,从而定向草绘平面使其与屏幕平行。绘制如图3-8所示的拉伸剖面,然后在“草绘”选项卡的“关闭”面板中单击“确定”按钮
。

图3-8 绘制拉伸剖面
4)选取深度类型选项并设置深度值。在“拉伸”选项卡的“深度类型”选项下拉列表框中选择“对称”深度选项
,接着在“深度”文本框中输入值“68”。
5)在“拉伸”选项卡中单击“完成”按钮
,完成该拉伸实体特征创建。
此时,按〈Ctrl+D〉组合键以默认的标准方式视角显示模型,效果如图3-9所示。

图3-9 创建的拉伸实体特征
3.以拉伸的方式切除材料
1)在功能区“模型”选项卡的“形状”面板中单击“拉伸”按钮
,打开“拉伸”选项卡。默认情况下,“拉伸”选项卡中的“实体”按钮
处于被选中的状态。
2) 在“拉伸”选项卡中单击“去除材料”按钮
。
3)“拉伸”选项卡中的“放置”标签以特定颜色(如红色)显示,在图形窗口中直接选择“TOP基准平面”作为草绘平面,系统自动地快速进入草绘模式。
4)在“草绘”选项卡中单击“设置”面板中的“草绘视图”按钮
,从而定向草绘平面使其与屏幕平行。绘制如图3-10所示的拉伸剖面,单击“确定”按钮
。

图3-10 绘制拉伸剖面
5)在“拉伸”选项卡的“深度”选项下拉列表框中选择“穿透”选项
,单击“反向拉伸的深度方向”按钮
,从而将拉伸的深度方向更改为如图3-11所示。

图3-11 设置拉伸的深度方向
6)在“拉伸”选项卡中单击“完成”按钮
,完成拉伸切除操作,得到如图3-12所示的模型效果。

图3-12 拉伸切除后的效果
4.创建拉伸加厚特征
1)在功能区“模型”选项卡的“形状”面板中单击“拉伸”按钮
,打开“拉伸”选项卡。默认情况下,“拉伸”选项卡中的“实体”按钮
处于被选中的状态。
2)在“拉伸”选项卡中单击“加厚草绘”按钮
,接着输入“加厚厚度”为“10”,如图3-13所示。

图3-13 设置加厚草绘的参数
3) 打开“放置”面板,单击“定义”按钮,弹出“草绘”对话框。
4)选择如图3-14所示的实体面作为草绘平面,接受默认的草绘方向设置,单击“草绘”按钮,进入草绘模式中。

图3-14 选择草绘平面
5) 在功能区“草绘”选项卡的“草绘”面板中单击“投影”按钮
,系统弹出“类型”对话框,选择“单一”单选按钮,单击如图3-15所示的轮廓边通过投影来创建新图元,单击“类型”对话框中的“关闭”按钮。

图3-15 单击轮廓边绘制开放式剖面(投影)
在“草绘”选项卡的“关闭”面板中单击“确定”按钮
,完成草绘并退出草绘模式。
6)在“拉伸”选项卡中单击位于“加厚草绘”按钮
最右侧的“在草绘的一侧、另一侧或两侧间更改拉伸方向”按钮
,使其向外侧加厚。
7)输入侧1的“拉伸深度”为“15”。
8)在“拉伸”选项卡中单击“完成”按钮
,完成的底座效果如图3-16所示。

图3-16 完成的底座效果
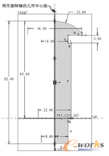
,可以通过绕着指定的中心线旋转草绘截面来创建特征,该特征被称为旋转特征。旋转特征的类型可以为旋转伸出项(实体、加厚)、旋转切口(实体、加厚)、旋转曲面、旋转曲面修剪(规则、加厚)。创建旋转特征的典型示例如图3-17所示。
,打开如图3-18所示的“旋转”选项卡,接着在“旋转”选项卡中指定特征类型,如实体或曲面,接着打开“放置”面板来创建草绘或者选取草绘(注意旋转特征需要定义旋转截面和旋转轴,旋转轴可以是线性参考或草绘器几何中心线),完成定义旋转截面和旋转轴后,在“旋转”选项卡中设置旋转角度、旋转方向,并根据特征类型来设置相应的参数。

,系统弹出“新建”对话框,在“类型”选项组中选择“零件”单选按钮,在“子类型”选项组中选择“实体”单选按钮,在“文件名”文本框中输入文件名为“bc_3_dgm”,单击以清除(取消选中)“使用默认模板”复选框,然后单击“确定”按钮。
,从而在功能区打开“旋转”选项卡。
,从而定向草绘平面使其与屏幕平行。在“草绘”选项卡的“基准”面板中单击“中心线”按钮
来添加一条竖直的几何中心线作为旋转轴,并接着绘制如图3-20所示的封闭图形。绘制好旋转截面并修改相关的尺寸后,单击“确定”按钮
,从而完成草绘并退出内部草绘器。
处于被选中的状态,从草绘平面开始以360°旋转。单击“完成”按钮
,完成创建的旋转实体特征如图3-21所示。
,打开“旋转”选项卡。
,从而定向草绘平面使其与屏幕平行。绘制如图3-22所示的旋转剖面和旋转中心轴。绘制好图形并修改好相关的尺寸后,单击“确定”按钮
,完成草绘并退出内部草绘器。
处于被选中的状态,从草绘平面开始以360°旋转。在“旋转”选项卡中单击“去除材料”按钮
。
,从而完成旋转切除操作,最终得到顶杆帽基件的模型,效果如图3-23所示。


,打开如图3-26所示的“扫描”选项卡。下面介绍“扫描”选项卡中各主要组成元素的功能含义。
:创建实体特征。
:创建曲面特征。
:打开内部草绘器来创建或编辑扫描横截面。
:沿扫描移除材料,以便为实体特征创建切口或为曲面特征创建面组修剪。
:为草绘添加厚度以创建薄实体、薄实体切口或薄曲面修剪。
:创建恒定截面扫描,即沿扫描时其草绘截面保持不变。
:创建可变截面扫描,即允许截面根据参数化参考或沿扫描的关系进行变化。

图3-28 “链”对话框


以在Creo Parametric浏览器中显示详细的元件信息。
或“可变截面”按钮
来手动设置扫描类型。
,新建一个使用“mmns_part_solid”公制模板的实体零件文件,其文件名定为“bc_s3_wj”。
,打开“扫描”选项卡。
,弹出“草绘”对话框,选择“TOP基准平面”作为草绘平面,默认以“RIGHT基准平面”为“右”方向参照,如图3-31所示,接着单击“草绘”按钮,进入草绘模式。绘制如图3-32所示的将作为扫描轨迹的相切曲线,单击“确定”按钮
。

,如图3-33所示。

和“恒定截面”按钮
自动被选中,单击“创建薄板”按钮
并设置“薄板厚度”为“5”,如图3-35所示。
,进入内部草绘器,绘制如图3-36所示的扫描截面,然后单击“确定”按钮
。
,完成创建的弯管模型如图3-37所示。
,弹出“文件打开”对话框,选择“bc_s3_bzbs.prt”配套文件。该文件中已经存在着一个杯子主体模型。
,打开“扫描”选项卡。
,弹出“草绘”对话框,选择“FRONT(基准平面)”作为草绘平面,以“RIGHT(基准平面)”为“右”方向参照,接着在“草绘”对话框中单击“草绘”按钮,进入草绘模式。在功能区“草绘”选项卡的“设置”面板中单击“草绘视图”按钮
,以定向草绘平面使其与屏幕平行,然后在“草绘”选项卡的“草绘”面板中单击“样条”按钮
,绘制如图3-38所示的样条曲线,并在“约束”面板中单击“重合”按钮
,将样条曲线的两个端点分别设置重合约束于杯子的外轮廓边,最后单击“确定”按钮
,完成草绘并退出草绘模式。
ICP经营许可证:鄂B2-20080078
(于2003年首获许可证:鄂B2-20030029)
鄂公网安备:420100003343号
© 2002-2025 武汉制信科技有限公司 版权所有
投诉举报电话:027-87592219