在这里将拉伸曲面、旋转曲面、扫描曲面、混合曲面、扫描混合曲面和填充曲面等这些曲面统称为基本曲面。要创建这些基本曲面,在执行特征创建工具或命令的过程中,需要选择“曲面”类型(如单击“曲面”按钮
),具体的操作方法及步骤和创建实体特征时差不多。
下面介绍创建基本曲面的相关范例,也可以让读者复习相关特征创建工具或命令的应用。
7.2.1 创建拉伸曲面范例
下面通过典型例子来介绍创建、编辑定义拉伸曲面的方法及一般步骤。
1)在“快速访问”工具栏中单击“新建”按钮
,新建一个使用“mmns_part_solid”公制模板的实体零件文件,该文件名自定,如将文件名设为“bc_7_2_1”。
2)在功能区的“模型”选项卡的“形状”面板中单击“拉伸”按钮
,并在“拉伸”选项卡中单击“曲面”按钮
。
3)选择“FRONT(基准平面)”作为草绘平面,快速进入内部草绘器中。
4)在功能区出现的“草绘”选项卡中单击“设置”面板中的“草绘视图”按钮
,从而定向草绘平面使其与屏幕平行。
5)绘制剖面,如图7-3所示,然后单击“确定”按钮
,完成草绘并退出草绘器。

图7-3 绘制拉伸剖面曲线
6)在“拉伸”选项卡的“深度选项”下拉列表框中选择“对称”选项
。
7)在“拉伸”选项卡的侧1“深度”文本框中输入拉伸深度为“100”。
8)在“拉伸”选项卡中单击“完成”按钮
。按〈Ctrl+D〉组合键以默认的标准方向来观察创建的曲面,效果如图7-4所示。

图7-4 创建的拉伸曲面
下面的步骤是重新编辑定义该拉伸曲面,将其拉伸剖面修改为封闭的图形,并设置使曲面具有封闭端。
9)在模型树中,右击“拉伸1”特征(即创建的拉伸曲面特征),接着从弹出的快捷菜单中选择“编辑定义”命令,从而打开创建该特征时所用的“拉伸”选项卡。
10)在“拉伸”选项卡中打开“放置”面板,接着单击其上的“编辑”按钮,如图7-5所示,从而进入草绘模式。

图7-5 在“放置”面板中操作
11)添加圆弧,使剖面形成闭合形式,如图7-6所示,然后单击“确定”按钮
。

图7-6 修改剖面
12)在“拉伸”选项卡中打开“选项”面板,单击“封闭端”复选框以选中该复选框,接着选中“添加锥度”复选框,并设置锥度值为“20”,如图7-7所示。

图7-7 设置封闭端和添加锥度
13)在“拉伸”选项卡中单击“完成”按钮
。按〈Ctrl+D〉组合键以默认的标准方向视角来观察曲面效果,如图7-8所示。

图7-8 具有封闭端的拉伸曲面
7.2.2 创建旋转曲面范例
下面通过典型例子来介绍创建旋转曲面的方法及一般步骤。
1)在“快速访问”工具栏中单击“新建”按钮
,新建一个名称为“bc_7_2_2”的实体零件文件,该零件文件使用“mmns_part_solid”公制模板。
2)在功能区的“模型”选项卡的“形状”面板中单击“旋转”按钮
,接着在功能区出现的“旋转”选项卡中单击“曲面”按钮
。
3)在“旋转”选项卡中单击“放置”标签,打开“放置”面板,接着单击“定义”按钮,弹出“草绘”对话框。
4)选择“FRONT(基准平面)”作为草绘平面,其他设置采用默认选项,在“草绘”对话框中单击“草绘”按钮,进入草绘模式。接着在功能区出现的“草绘”选项卡中单击“设置”面板中的“草绘视图”按钮
,从而定向草绘平面使其与屏幕平行。
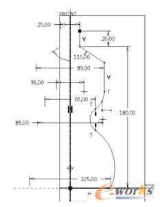
5)绘制如图7-9所示的旋转剖面和一条竖直的几何中心线,绘制的所有剖面曲线段均位于几何中心线的同一侧,所绘制的几何中心线将作为旋转轴。然后单击“确定”按钮
,完成草绘并退出草绘模式。

图7-9 绘制旋转剖面和几何中心线
6)接受默认的旋转角度为360°,单击“完成”按钮
。按〈Ctrl+D〉组合键以默认的标准方向视角来观察创建的旋转曲面,效果如图7-10所示。

图7-10 绘制旋转曲面
7.2.3 创建扫描曲面范例
扫描曲面是指将二维剖面沿着指定轨迹路径扫描而生成的曲面,扫描剖面可以是恒定的,也可以是可变的。下面介绍两个创建扫描曲面的典型范例。
1.创建恒定截面扫描曲面的范例
1)在“快速访问”工具栏中单击“新建”按钮
,新建一个名称为“bc_7_2_3a”的实体零件文件,该零件文件使用“mmns_part_solid”公制模板。
2)在功能区的“模型”选项卡的“形状”面板中单击“扫描”按钮
,接着在“扫描”选项卡中单击“曲面”按钮
和“恒定截面”按钮
。
3)在功能区的右侧区域单击“基准”|“草绘”按钮
,系统弹出“草绘”对话框,选择“TOP(基准平面)”作为轨迹的草绘平面,以“RIGHT(基准平面)”为“右”方向参考,单击“草绘”对话框中的“草绘”按钮,进入草绘模式中。使草绘平面平行于屏幕后,绘制如图7-11所示的曲线,单击“确定”按钮
。

图7-11 绘制曲线
4)在“扫描”选项卡中单击如图7-12所示的“退出暂停模式,继续使用此工具”按钮
。

图7-12 退出暂停模式并继续使用“扫描”工具
5)刚绘制的曲线自动作为原点轨迹,注意原点轨迹的起点方向,如图7-13所示,若打开“参考”面板,则可以看到“截平面控制”选项为“垂直于轨迹”。

图7-13 定义相关参考

6)在“扫描”选项卡中单击“创建或编辑扫描截面”按钮
,接着单击“草绘视图”按钮 以定向草绘平面使其与屏幕平行。
7)绘制如图7-14所示的扫描截面,单击“确定”按钮
。

图7-14 绘制扫描截面
8)在“扫描”选项卡中单击“完成”按钮
,按〈Ctrl+D〉组合键以默认的标准方向视角来观察,效果如图7-15所示。

图7-15 绘制恒定截面扫描曲面
2.创建可变截面扫描曲面的范例
可变剖面扫描曲面是一类特殊的扫描曲面,它是在沿着一个或多个选定轨迹扫描剖面时通过控制剖面的方向、旋转和几何来生成的曲面。在沿轨迹线扫描的过程中,可以指定截面控制的方式,如截面垂直于轨迹、截面垂直于投影或截面恒定法向。
1)在“快速访问”工具栏中单击“新建”按钮
,新建一个名称为“bc_7_2_3b”的实体零件文件,该零件文件使用“mmns_part_solid”公制模板。
2)在功能区的“模型”选项卡的“形状”面板中单击“扫描”按钮
,接着在“扫描”选项卡中单击“曲面”按钮
和“可变截面”按钮
。
3)在功能区的右侧区域单击“基准”|“草绘”按钮
,系统弹出“草绘”对话框,选择“TOP(基准平面)”作为轨迹的草绘平面,以“RIGHT(基准平面)”为“右”方向参考,单击“草绘”对话框中的“草绘”按钮,进入草绘模式中。使草绘平面平行于屏幕后,绘制如图7-16所示的两条圆弧,它们各自的圆弧中心均落在竖直参照线上,单击“确定”按钮
。

图7-16 绘制两条圆弧
4)在“扫描”选项卡中单击“退出暂停模式,继续使用此工具”按钮
,退出暂停模式,继续执行创建可变剖面扫描曲面的操作。
5)选择半径较大的那条曲线作为原点轨迹,接着按着〈Ctrl〉键的同时选择另一条曲线作为辅助控制的链曲线,如图7-17所示,注意原点轨迹的起始箭头位置及方向。

图7-17 选择原点轨迹与其他链轨迹
6)在“扫描”选项卡中打开“参考”面板,从“截平面控制”下拉列表框中选择“恒定法向”,在图形窗口中选择“RIGHT(基准平面)”作为方向参考,“水平/竖直控制”选项默认为“自动”。
7)在“扫描”选项卡中单击“创建或编辑扫描截面”按钮
,接着单击“草绘视图”按钮 以定向草绘平面使其与屏幕平行。
8)单击“圆:3点”按钮
,绘制如图7-18所示的扫描截面,单击“确定”按钮
。

图7-18 绘制剖面
9)在“扫描”选项卡中单击“完成”按钮
,按〈Ctrl+D〉组合键以默认的标准方向视角来观察,效果如图7-19所示。

图7-19 完成的可变截面扫描曲面
7.2.4 创建混合曲面范例
可以创建连接多个草绘截面的平滑面组。请看以下的一个操作范例。
1)在“快速访问”工具栏中单击“新建”按钮
,新建一个名称为“bc_7_2_4”的实体零件文件,该零件文件使用“mmns_part_solid”公制模板。
2)在功能区的“模型”选项卡中依次单击“形状”组溢出按钮和“混合”按钮
,打开“混合”选项卡,接着在“混合”选项卡中单击“曲面”按钮
和“与草绘截面混合”按钮 。
3)在“混合”选项卡中打开“截面”面板,确保选择“草绘截面”单选按钮,接着单击“定义”按钮,弹出“草绘”对话框。在图形窗口中选择“TOP(基准平面)”作为草绘平面,默认以“RIGHT(基准平面)”为“右”方向参考,单击“草绘”按钮。
4)在功能区出现的“草绘”选项卡中单击“设置”面板中的“草绘视图”按钮
,从而定向草绘平面使其与屏幕平行。接着绘制如图7-20所示的第一个混合截面,单击“确定”按钮
。

图7-20 绘制第一个混合截面
5)在“混合”选项卡的“截面”面板中,确保进入插入截面2的操作状态,草绘平面位置定位方式为“偏移尺寸”,从“偏置自”下拉列表框中默认选择“截面1”,输入“截面1”的偏移值为“50”,如图7-21所示,然后单击“草绘”按钮。

图7-21 设置截面2偏移自截面1的距离
6)绘制如图7-22所示的截面2,然后单击“确定”按钮
。

图7-22 绘制截面2
7)在“混合”选项卡中打开“截面”面板,确保选中“草绘截面”单选按钮,单击“插入”按钮以插入截面3,设置其草绘平面位置定义方式为“偏移尺寸”,从“偏移自”下拉列表框中默认选择“截面2”,设置“截面2”的偏移距离为“50”,单击“草绘”按钮,进入截面3的草绘状态。
8)绘制如图7-23所示的第3个截面,单击“确定”按钮
。

图7-23 绘制截面3
9)在“混合”选项卡中打开“选项”面板,选择“混合曲面”下的“平滑”单选按钮,如图7-24所示。

图7-24 选择“平滑”单选按钮
10)在“混合”选项卡中单击“完成”按钮
,完成创建的混合曲面特征如图7-25所示。

图7-25 完成创建的混合曲面
7.2.5 创建扫描混合曲面范例
可以使用扫描混合工具来创建面组,其简单范例如下。
1)在“快速访问”工具栏中单击“新建”按钮
,新建一个名称为“bc_7_2_5”的实体零件文件,该零件文件使用“mmns_part_solid”公制模板。
2)在功能区的“模型”选项卡的“形状”面板中单击“扫描混合”按钮
,接着在“扫描混合”选项卡中单击“曲面”按钮
。
3)在功能区右侧区域单击“基准”|“草绘”按钮
,弹出“草绘”对话框,选择“TOP(基准平面)”作为草绘平面,默认草绘方向,单击“草绘”对话框中的“草绘”按钮。
4)使草绘平面平行于屏幕后,绘制如图7-26所示的曲线,然后单击“确定”按钮
。

图7-26 草绘曲线
5)在“扫描混合”选项卡中单击出现的“暂停模式”按钮
,从而退出暂停模式,继续执行创建扫描混合曲面的操作。
6)新创建的曲线自动被选中作为原点轨迹线,注意原点轨迹的起点箭头位置如图7-27所示,此时若打开“参考”面板,则可以看到默认的“截平面控制”选项为“垂直于轨迹”,“水平/竖直控制”选项为“自动”,“起点的X方向参考”选项为“默认”。

图7-27 原点轨迹及剖面控制等
7)在“扫描混合”选项卡中打开“截面”面板,选择“草绘截面”单选按钮。
8)在“截面”面板中单击“草绘”按钮,进入草绘模式。单击“草绘视图”按钮
后,绘制如图7-28所示的剖面1(开始截面),然后单击“确定”按钮
。

图7-28 绘制剖面1
9)按〈Ctrl+D〉组合键以默认的标准方向视角来显示模型,以便于选择要插入截面的点。在“截面”面板中单击“插入”按钮,接着选择如图7-29a所示的点定义截面2的放置位置,单击“截面”面板中的“草绘”按钮,进入草绘模式中。使草绘平面平行于屏幕后,绘制如图7-29b所示的剖面2,然后单击“确定”按钮
。注意确保剖面2相对于初始截面X轴的旋转角度为“0”。

图7-29 剖面2放置点及其草绘图
10)在“截面”面板中单击“插入”按钮,接着单击“草绘”按钮以绘制结束截面,进入草绘模式以开始绘制剖面3(结束截面)。单击“中心和轴椭圆”按钮
绘制如图7-30所示的椭圆,并单击“法向”按钮
分别标注椭圆的长轴半径和短轴半径,然后单击“确定”按钮
。注意确保剖面3相对于初始截面X轴的旋转角度为“0”。

图7-30 绘制结束截面(截面3)
11)在“扫描混合”选项卡中单击“完成”按钮
,完成扫描混合曲面的创建,其完成效果如图7-31所示。

图7-31 创建的扫描混合曲面

ICP经营许可证:鄂B2-20080078
(于2003年首获许可证:鄂B2-20030029)
鄂公网安备:420100003343号
© 2002-2025 武汉制信科技有限公司 版权所有
投诉举报电话:027-87592219