第九章 通用电动机控制设计
第一节 单个电动机的起动/停止控制原理图
9.1.3 标注文字符号
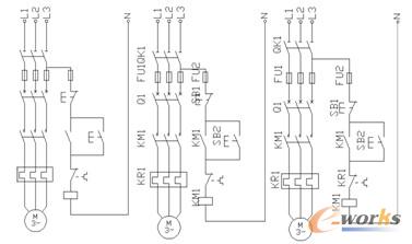
(1)单击“注释”面板中的“单行文字”命令按钮 ,在线路顶端标注端子号,指示进线,效果如图9-31所示。
(2)单击“注释”面板中的“多行文字”命令按钮 ,“修改”面板中的“复制”命令按钮 ,在元器件旁边标注文字并双击进行修改,以指示各个元器件的代号,效果如图9-32所示。
(3)单击“修改”面板中的“移动”命令按钮 和“修改”面板中的“拉伸”命令按钮 整理图形,效果如图9-33所示。

图9-31 标注端子号图9-32 标注元器件代号图9-33 图形整理
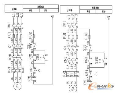
(4)单击“注释”面板中的“多行文字”命令按钮 和“修改”面板中的“复制”命令按钮 ,在主供电回路线路旁边书写文字,指示各个主线路的线号,效果如图9-34所示。
(5)单击“注释”面板中的“多行文字”命令按钮 和“修改”面板中的“复制”命令按钮 ,在控制回路线路旁边书写文字,指示控制线路的线号,效果如图9-35所示。
(6)单击“修改”面板中的“移动”命令按钮 和“修改”面板中的“拉伸”命令按钮 整理图形,效果如图9-36所示。

图9-34 标注主电路图9-35 标注控制电路图9-36 图形整理
(7)单击“绘图”面板中的“直线”命令按钮 ,“修改”面板中的“镜像”命令按钮 、“删除”命令按钮 和“修剪”命令按钮 绘制表格,效果如图9-37所示。
(8)单击“注释”面板中的“多行文字”命令按钮 、“修改”面板中的“复制”命令按钮 和“移动”命令按钮 ,在表格中书写文字,指示各个电路功能,效果如图9-38所示。

图9-37 绘制表格图9-38 标注功能
(9)单击“注释”面板中的“多行文字”命令按钮 、“修改”面板中的“复制”命令按钮 和“移动”命令按钮 ,在各个元器件中标注文字,指示各个元器件触点号,效果如图9-39所示。
(10)单击“修改”面板中的“移动”命令按钮 和“修改”面板中的“拉伸”命令按钮 整理图形,效果如图9-40所示。

图9-39 标注元器件触点号图9-40 整理图形