第八章 绘制建筑详图
第一节 专业讲解——建筑详图概述
房屋建筑平面图、立面图、剖面图(简称平、立、剖面图)都是用较小的比例绘制的,主要表达建筑全局性的内容,但对于房屋细部或构、配件的形状、构造关系等无法表达清楚。因此,在实际工作中,为详细表达建筑节点及建筑构、配件的形状、材料、尺寸及做法,而用较大的比例画出的图形,称为建筑详图,或称大样图。
8.1.1 建筑详图的特点和标识
建筑详图的特点,一是比例大(常用1∶50、1∶20、1∶10、1∶5、1∶2、1∶1等);二是图示详尽清楚,凡在建筑平、立、剖面图中没有表达清楚的细部构造,均需用详图补充表达;三是尺寸标注齐全,要注出主要部位的标高,用料及做法也要表达清楚。
为了便于看图,常采用详图标志和详图索引标志。详图标志又称详图符号,画在详图的下方;详图索引标志又称索引符号,则表示建筑平、立、剖面图中某个部位需另画详图表示,故详图索引符号是标注在需要画出详图的位置附近,并用引出线引出。
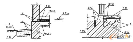
建筑详图的图线,按照《建筑制图标准》要求,被剖切到的抹灰层和楼地面的面层线用中实线画。对比较简单的详图,可只采用线宽为b和0.25b的两种图线,其他与建筑平、立、剖相同,如图8-1所示。

图8-1 建筑详图图线宽度
建筑详图标注及索引符号,请参见第1章的表1-2。
8.1.2 建筑详图的图示内容和图示方法
建筑详图所表现的内容相当广泛,可以不受任何限制,只要平、立、剖面图中没有表达清楚的地方都可用详图进行说明。因此,根据房屋复杂的程度,建筑标准的不同,详图的数量及内容也不尽相同。一般来讲,建筑详图包括外墙详图、楼梯详图、卫生间详图、门窗详图以及阳台、雨棚和其他固定设施的详图。
那么,建筑详图的图示内容和图示方法包括以下内容。
1)建筑详图一般表达构配件的详细构造,如材料、规格、相互连接的方法、相对位置、详细尺寸、标高、施工要求和做法的说明等。
2)建筑详图必须画出详图符号,应与被索引的图样上的索引符号相对应,在详图符号的右下侧注写比例。
3)在详图中如再需另画详图时,则在其相应部位画上索引符号。
4)对于套用标准图或通用详图的建筑构配件和建筑节点,只要注明所套用图集的名称、编号或页次,就不必再画详图。
5)详图的平面图、剖面图,一般都应画出抹灰层与楼面层的面层线,并画出材料图例。
6)详图中的标高应与平面图、立面图、剖面图中的位置一致。
7)详图中定位轴线的标号圆圈可为10mm。
8.1.3 建筑详图的绘制方法与步骤
建筑详图相应地可分为平面详图、立面详图和剖面详图。利用AutoCAD绘制建筑详图时,可以首先从已经绘制的平面图、立面图或者剖面图中提取相关的部分,然后再按照详图的要求进行其他的绘制工作。具体的步骤如下。
1)从相应的图形中提取与所绘制详图的有关内容。
2)对所提取的相关内容进行修改,形成详图的草图。
3)根据详图绘制的具体要求,对草图进行修改。
4)调整详图的绘图比例,一般为1∶50或1∶210。
5)若为平面详图,则需要进行室内设施的布置,比如卫生间详图中就必须绘制各种卫生用具详图。
6)填充材质和图案。各种详图中剖切的部分都应绘制填充材料符号。
7)标注文本和尺寸,要求标注得比较详细。以卫生间为例,卫生间洁具定位一般以某水管定位线为基准,其他设备边缘线定位,标注时需要标注出设备定位尺寸和房间的周边净尺寸,同时还应标出室内标高、排水方向及坡度等。文本标注用于详细说明各个部件的做法。
8.1.4 建筑详图的剖切材料图例
在绘制建筑详图时,剖切面的材料一般用图例来表示,其常用的建筑详图剖切材料图例如表8-1所示。
表8-1 剖面填充图例

8.1.5 外墙墙身详图的识读
常见的建筑详图有外墙墙身详图、楼梯间详图、卫生间详图、厨房详图、门窗详图、阳台详图、雨篷详图等。下面以外墙墙身详图、楼梯间详图、门窗详图等的识读方法进行讲解。
外墙墙身详图即建筑物的外墙身剖面详图,是建筑细部的施工图。根据施工要求,将建筑平面图、立面图和剖面图中的某些建筑构配件(如门、窗、楼梯、阳台、各种装饰等)或某些建筑剖面节点(如檐口、窗台、明沟或散水以及楼地面层、屋顶层等)的详细构造(包括样式、层次、做法、用料、详细尺寸等)用较大比例清楚地表达出来的图样。
在墙身节点详图中,主要用以表达外墙的墙脚、窗台、过梁、墙顶以及外墙与室内外地坪、外墙与楼面、屋面的连接关系,门窗洞口、底层窗下墙、窗间墙、檐口、女儿墙壁等的高度,室内外地坪、防潮层、门窗洞的上下口、檐口、墙顶及各层楼面、屋面的标高,屋面、楼面、地面的多层构造;立面装修和墙身防水、防潮要求及墙体各部位的脚线、窗台、窗楣檐口、勒脚、散水的尺寸、材料和做法等内容。
需要注意的是,由于采用较大比例(1∶20)来绘制墙身,限于图纸的尺寸,不能完整表达全部墙身,故在窗洞口处作一截断,但窗洞口的尺寸仍按实际尺寸注写,如图8-2所示。
如图8-2所示为某楼外墙节点详图,用户可以按以下步骤进行识读。
1)根据外墙详图剖切平面的编号,在平面图、剖面图或是立面图上查找出相应的剖切平面的位置,以了解外墙在建筑物的具体部位。如图8-2所示是建筑剖面图中外墙身的放大图,比例为1∶20。图中不仅表示了屋顶、檐口、楼面、地面等构造以及与墙身的连接关系,而且表示了窗、窗顶、窗台等处的构造情况。圈梁、过梁均为钢筋混凝土构件,楼板为钢筋混凝土空心板,均用钢筋混凝土图例绘制表示。外墙为240厚砖墙,也以图例表示出来。

图8-2 外墙剖面详图
2)看图时应从下到上或是从上到下的顺序,一个节点一个节点地阅读,了解各个部位的详细构造、尺寸、做法,并与材料做法表相对照。在画外墙详图时,一般在门窗洞开中间用折断线断开。实际上画的是几个节点(地面、楼面、窗台、屋面)详图的组合,有时也可不画整个墙身的详图,而是把各个节点的详图分别单独绘制。在多层建筑中,如果中间各层墙体的构造相同,则只画底层、中间层和顶层三个部位的组合。如图8-2所示即是绘制了室外散水与室内地面节点、楼面节点、檐口节点三个节点的详图组合。
3)先看第一个节点勒脚、散水节点。如图8-2所示,它是底层窗台以下部分的墙身详图。从图中可以看出,室内地面为瓷砖地面,做法:在100mm厚C20混凝土上用10mm厚水泥砂浆找平,上铺500×500瓷砖。在室内地面与墙身基础的相连处设有水泥砂浆防潮层,一般用粗实线表示。本图中窗台的做法比较简单,没有窗台板也没有外挑檐。室外为混凝土散水,做法:在素土夯实层上铺100mm厚C15混凝土,面层为20mm厚1∶2水泥砂浆。
4)再向上看第二个节点,了解楼层节点的做法。由如图8-2可知,表示了圈梁、过梁(本例中圈梁与过梁合二为一)的位置。该楼板搭在横墙上,楼板面层采用瓷砖贴面,天棚面和内墙面均为纸筋灰粉面刷白面层。
5)最后看第三个节点檐口部分。图中檐口采用女儿墙形式,高度900mm。屋面做法为油毡保温屋面,保温层采用60mm厚蛭石保温层,并兼2%找坡作用。防水层采用二毡三油卷材防水,上撒绿豆沙。
6)看所标注尺寸。在图8-2中,注明了室外地面、底层室内地面、窗台、窗顶、楼面、顶棚、檐口底面顶面的标高。在楼层节点处的标高,其中7.200与10.800用括号括起来,表示与此相应的高度上,该节点图仍然适用。此外,图中还注明了高度方向的尺寸及墙身细部大小尺寸。如墙身为240mm、室外散水宽900mm。