第三章 LTOOLS 2010注塑
第三节 模架零件的应用
模架是型腔与型芯的装夹、分离及闭合的机构。为了便于机械化操作以提高生产效率,模架由结构、类型和尺寸都标准化、系列化并具有一定互换性的零件成套组合而成,标准模架分为两大类:中小型模架和大型模架。
3.3.1 中小型模架
按国家标准规定,中小型模架的尺寸为B×L 500mm×900mm。模具中小型模架的结构形式可按如下特征分类:结构特征、导柱和导套的安装形式以及动、定模板座的尺寸和模架动模座结构。
1. 按结构分类
中小型模架按结构特征来分,也分为基本型和派生型。其中,基本型包括A1~A4的4个品种。
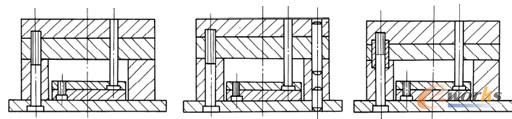
1)A1型:定模采用两块模板,动模采用一块模板,设置顶杆顶出机构,适用于单分型面成型模具。中小型模架的基本型A1品种如图3-17所示。
2)A2型:定模和动模均采用两块模板,设置顶杆顶出机构。适用于直接浇口,采用斜导柱侧抽芯的成型模具。中小型模架的基本型A2品种如图3-18所示。

图3-17 中小型模架A1型图3-18中小型模架A2型
3)A3型:定模采用两块模板,动模采用一块模板,设置推件板推出机构。适用于薄壁壳体类塑料制品的成型以及脱模力大、制品表面不允许留有推出痕迹的成型模具。中小型模架的基本型A3品种如图3-19所示。
4)A4型:此型模架均采用两块模板,设置推件板推出机构,适用范围与A3型基本相同。中小型模架的基本型A4品种如图3-20所示。

图3-19 中小型模架A3型图3-20 中小型模架A4型
除基本型模架外,中小型模架的派生型总共有P1~P9的9个品种。
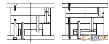
5)P1~P4型:模架由基本型模架A1~A4型对应派生而成。结构形式的差别在于去掉了A1~A4型定模座板上的固定螺钉,使定模一侧增加了一个分型面,成为双分型面成形模具,多用于点浇口。其他特点和用途同A1~A4。派生型模架P1~P4型如图3-21所示。

图3-21 派生P1~P4型
a) 派生P1型b) 派生P2型 c) 派生P3型d) 派生P4型
6)P5型:模架的动、定模各由一块模板组合而成,主要适用于直接浇口简单整体型腔结构的成型模具,如图3-22所示。
7)P6~P9型:P6与P7、P8与P9是相互对应的结构,如图3-23所示。P7和P9相对于P6和P8只是去掉了定模座板上的固定螺钉。P6~P9型模架均适用于复杂结构的注射成型模,如定距分型自动脱落浇口的注射模等。

图3-22 派生P5型图3-23 派生P6~P9型
a) 派生P6型 b) 派生P7型 c) 派生P8型 d) 派生P9型
2. 按动、定模板座的尺寸分类
中小型模架按动、定模座板的尺寸可分为有肩工字模和无肩直身模两种。
1)工字模:上、下模座板尺寸大于其余模板的尺寸,形似一个“工”字,如图3-24所示。
2)直身模:上、下模座板尺寸等于其余模板的尺寸,如图3-25所示。

图3-24 工字模图3-25 直身模
3. 按模架动模座结构分类
中小型模架的动模座结构以V表示,分V1、V2和V3型3种,国家标准中规定:基本型和派生型模架动模座均采用V1型结构。
1)V1型:模架动模座结构V1型如图3-26所示。
2)V2型:模架动模座结构V2型如图3-27所示。
3)V3型:模架动模座结构V3型如图3-28所示。

图3-26 V1型动模座图3-27 V2型动模座图3-28 V3型动模座
3.3.2 大型模架
根据国家标准,大型模架的尺寸B×L为630mm×630mm~1250mm×2000mm。大型模架按其结构来分,可分为基本型模架和派生型模架两类。
1. 基本型模架
大型模架的基本型结构分为A型和B型两个品种。
1)A型:由定模二模板、动模一模板组成,设置顶杆顶出机构,如图3-29所示。
2)B型:由定模二模板、动模二模板组成,设置顶杆顶出机构,如图3-30所示。

图3-29 A型模架图3-30 B型模架
2. 派生型模架
大型模架的派生型结包括P1~P4的4个品种。
1)P1型由定模二模板、动模二模板组成,用于点浇口的双分型面结构,如图3-31所示。
2)P2型由定模二模板、动模三模板组成,设置推件板推出机构,如图3-32所示。

图3-31 P1型模架图3-32 P2型模架
3)P3型由定模二模板、动模一模板组成,用于点浇口的双分型面结构,如图3-33所示。
4)P4型由定模二模板、动模二模板组成,设置推件板推出机构,如图3-34所示。

图3-33 P3型模架图3-34 P4型模架
3.3.3 模架的选用
在模具设计时,应正确选用标准模架,以节省制模时间和保证模具质量。选用标准模架简化了模具的设计和制造,缩短了模具生产周期,方便了维修,而且模架精度和动作可靠性容易得到保证,因而使模具的价格整体下降。目前标准模架已被行业广泛采用。
标准模架的选用过程包括以下几个方面:
1)根据制品图样及技术要求,分析、计算、确定制品类型、尺寸范围(型腔投影面积的周界尺寸)、壁厚、孔形及孔位、尺寸精度及表面性能要求、材料性能等,以便制订制品成型工艺、确定浇口位置、制品重量以及模具的型腔数目,并选定注塑机的型号及规格。选定的注塑机应满足制品注射量和注塑压力的要求。
2)确定模具分型面、浇口结构形式、脱模和抽芯方式与结构,根据模具结构类型和尺寸组合系列来选定所需的标准模架。
3)核算所选定的模架在注塑机上的安装尺寸要素及型腔的力学性能,保证注塑机和模具能相互协调。
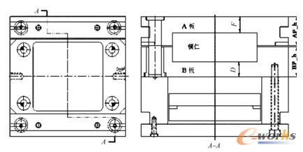
模架规格的确定往往取决于模仁(包括型腔和型芯)大小。模架模板厚度与模仁尺寸之间的关系,如图3-35所示。

图3-35 模板厚度与模仁尺寸的关系
3.3.4 LTOOLS2010模架库
LTOOLS2010模架库中提供了6种国产的标准模架库样式,包括龙记模架、圣都模架、明利模架、环胜模架、德胜模架和昌辉模架。
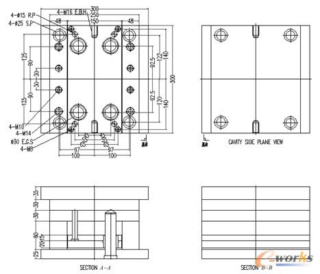
在【LTOOLS_A】选项卡的【模架零件】面板中单击【模架库总汇】按钮 ,系统弹出【LTOOLS_国产模架库】对话框,如图3-36所示。

图3-36 【LTOOLS_国产模架库】对话框
通过此对话框,选择所需的模架规格、类型及模板的尺寸等参数,单击【确定】按钮,LTOOLS将自动在AutoCAD图形区中自动生成模架及其标准件的装配图。如图3-37所示为自动生成的模架装配体范例。

图3-37 LTOOLS自动生成的模架装配体