第三章 LTOOLS 2010注塑
第四节 模具标准件
为提高模具的生产质量、缩短生产周期,模具零件及技术条件均制定了国家标准,如GB/T12556—2006(塑料注射模模架技术条件)。一副完整模具,由成型零件、支承与固定零件、抽芯零件、导向零件、定位与限位零件、推出零件、冷却与加热零件以及模架8个部分的零、部件组成。
3.4.1 支承与固定零件
支承与固定零件包括模板、支承柱。
模板主要用于塑料注射模具中的各种板类零件(不包括推板及支承块),可根据不同模具结构选用。当模板厚度要求和型腔厚度相同时,可取适当厚度模板改制或组合使用。另外,塑料注射模模架技术条件标准也可用于热固性塑料压胶模、挤胶模、金属压铸模的模板,甚至可供改制成大的型芯、镶块使用。模板、垫块、推板的组合平面尺寸配置(参考件)图如图3-38所示。

图3-38 模板、垫块、推板的组合平面尺寸配置
1—定模固定板2—定模板3—动模板4—支承板
5—垫块6—推杆固定板7—推板8—动模固定板
支承柱其作用为,在支承板较薄的情况下,可增强支承板的功能,在支承板与动模板之间合理布置支承柱,以分担注射时支承板所受的压力,改善其受力状况,增强模具刚性。同时,还可减小支承板的厚度,减轻模具重量。支承柱的装配方法采用螺钉定位,平行度易保证,也可将孔加工成螺孔,再用螺钉连接。d=32mm,L=63mm的支承柱如图3-39所示。

图3-39 标准支承柱
3.4.2 导向零件
导向零件包括导柱和导套。
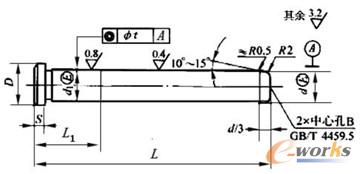
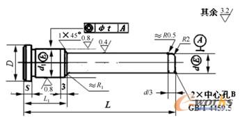
导柱功能为与导套配合使用,使模具在工作时的开模和闭合时,起导向作用,使定模和动模相对处于正确位置,同时承受由于在塑料注射时,注塑机运动误差所引起的侧压力,以保证塑件精度。带头导柱是常用结构,分两段。近头段为在模板中的安装段,标准采用H7/k6配合;另一段为滑动部分,其与导套的配合为H7/f7。有肩导柱,适用于批量大的中、大型精密模具,导柱大端与导套的外径尺寸相同,固定导柱与导套的两孔可同时加工,同心度好,其与模板孔的配合为H7/f7。
1. 导柱包括带头导柱和有肩导柱。
d=12mm,L=100mm,L1=25 mm的带头导柱如图3-40所示。

图3-40 带头导柱
d=12mm,L=100mm,L1=25 mm的有肩导柱如图3-41所示。

图3-41 有肩导柱
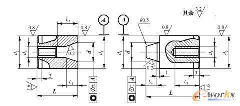
2. 导套
导套主要使用于厚模板中,可缩短模板的镗孔深度,在浮动模板中使用较多。导套包括标准带头导套和标准直导套:
d=12mm,L=40mm的标准带头导套如图3-42所示。
d=12mm,L=32mm的直导套如图3-43所示。

图3-42 标准带头导套

图3-43 标准直导套
3.4.3 定位与限位零件
定位与限位零件包括限位钉及圆锥定位件。限位钉用于支承推出机构,并用以调节推出距离,防止推出机构复位时受到障碍的影响。
d=8mm的限位钉如图3-44所示。

图3-44 标准限位钉
圆锥定位件主要用于动模、定模之间需要精确定位的场合,例如在注射成型薄壁制品塑件时,为保证壁厚均匀,则需要用该标准零件进行精确定位。对同轴度要求高的塑件,而且其型腔分别设在动模和定模上时,也需要采用此标准零件来进行精密定位,同时,还具有增强模具刚度的效果。
d=6mm的圆锥定位件如图3-45所示。

图3-45 圆锥定位件
3.4.4 推出零件
推出零件中包括推杆(顶杆)、推板和推块。
推杆为直杆式推杆,它可改制成拉杆或直接用作回程杆,也可作为推管的芯杆使用等。d=6mm,L=100mm的标准推杆如图3-46所示。

图3-46 标准推杆
推块其用途决定于推(顶)件的距离和调节模具的高度。
推板用于支承推出复位(杆)零件,传递机床推出力,也可用作推杆固定板和热固性塑料压胶模、挤胶模和金属压注模中的推板。
3.4.5 LTOOLS2010标准件库
LTOOLS2010的标准件库中,包含了所有注塑模具的标准件,如浇口套(流道衬套)、定位环(喷嘴)、顶尖、顶管、销钉等。
在【LTOOLS_A】选项卡的【标准零件】面板中单击【标准零件】按钮 ,系统弹出【LTOOLS_标准零件库】对话框,如图3-47所示。

图3-47 【LTOOLS_标准零件库】对话框
在【LTOOLS_标准零件库】对话框中选择所需的标准件后,单击表示该标准件的按钮,可弹出该标准件的参数设置对话框。例如,单击【喷嘴】按钮,系统弹出【LTOOLS_喷嘴】对话框,如图3-48所示。

图3-48 【LTOOLS_喷嘴】对话框
在此对话框中设置定位环的各项参数后,单击【确定】按钮,在图形区选取一个起点与终点,即可自动生成定位环标准件,如图3-49所示。

图3-49 指定放置点生成定位环标准件