第四章 涂料片模具结构设计
第三节 模具总装图设计
2. 创建后模产品顶尖
操作步骤
1)确定后模主视图产品顶尖位。从命令行输入快捷指令“O”(OFFSET),输入偏移的值为13.5,选取图元1作为偏移的对象,然后在图元1的左边单击拾取任意一点,系统自动产生图元2,如图4-54所示。
2)同理,采用同样方法创建产品顶尖,产品顶尖的直径为4,结果如图4-55所示。

图4-54创建偏距线 图4-55创建产品顶尖
3)再创建主视图和主视图其他顶尖(产品顶尖直径均为4),效果如图4-56所示。

图4-56 主视图和主视图顶尖效果图
4)创建后模俯视图顶尖。根据长对正、宽齐平、高相等的原则创建前模俯视图顶尖,效果如图4-57所示。
专家提示:在主视图和俯视图中只需表达一个产品的顶尖效果即可,其他的顶尖在俯视图中表达。

图4-57 前模俯视图顶尖
4.3.3 冷却系统设计
注射成型时,模具温度直接影响塑料的填充和塑料制品的质量,也影响到注射周期。因此在使用模具时必须对模具进行有效的冷却使模温保持在一定范围。模具冷却方式有水冷却、空气冷却和油冷等,但常用的是水冷法。
1. 定位主视图冷却水线
单击【修改】工具栏中【偏移】按钮 ,或在命令行中输入“O”(OFFSET)快捷指令并按空格键确定执行。分别从A板顶部向下偏移15mm,前模仁顶部向下偏移15mm,模仁边向内侧偏移17mm,来定位冷却水线,如图4-58所示。
2. 创建主视图前模冷却水路
操作步骤
1)单击【LTOOLS】工具栏中的【LTOOLS_水路】按钮 ,系统弹出【水路】对话框;在【水路】和【出水】下的图形处单击来切换需要的水嘴类型;在【水路直径】下拉列表框中选择“6”;最后单击【确定】按钮完成设置,如图4-59所示。

图4-58 定位冷却水线 图4-59【LTOOLS_水路】对话框
2)关闭对话框后,然后在上步骤绘制的冷却水线中依次选取点来放置水路,结果如图4-60所示。
专家提示:3个点就可以确定一条水路,如不需要再增加点,则在鼠标指针变成拾取框时按两次空格键,出水堵头自动在最后一个点生成;如还需要增加点,则水路自动生成但不会生成出水堵头,再单击拾取一点来确定下一个点,直到不需要再增加点时,按两次空格键自动生成出水堵头。
3. 修改定模水路
由于现在创建的水路不符合加工的要求,所以需要将其修改以适合孔加工,并在端点添加堵塞。
操作步骤
1)单击【LTOOLS】工具栏中的【水】按钮 ,系统会自动弹出【LTOOLS_水管系统】对话框。单击【水路系统2】类型,系统会自动显示【LTOOLS_水管系统】水堵头的设置,在【规格】处设定位1/8,选中【虚线】、【铜塞】复选框,【水径】处输入“6”,操作结果如图4-61所示。

图4-60 创建前模水路 图4-61水路系统水堵头
2)命令行提示【选择起点】,单击选取第一点;命令行接着提示【下一点】,单击选取第二点。最后按空格键完成冷却水路的水堵头的创建,如图4-62所示。

图4-62 添加水路系统水堵头
4. 创建主视图后模冷却水路
操作步骤
1)单击【修改】工具栏中【偏移】按钮 ,然后从B板底部向上偏移35mm,后模仁底部向上偏移15mm,模仁边向内侧偏移17mm,来定位冷却水路线,如图4-63所示。

图4-63 后模冷却水路线
2)依照上述方法,创建出主视图后模冷却水路,再遵循长对正、宽相等、高平齐的投影原则,创建前后模俯视图和主视图的水路、水路孔。单击工具栏上的【水路】按钮不放,在弹出的下拉菜单中单击【水路孔】按钮,在前后模俯视图和主视图中添加水路孔。创建前后模俯视图和主视图的水路、水路孔效果如图4-64所示。

图4-64 水路、水路孔最终设计结果
3)在模仁与模板之间加密封圈。首先单击【LTOOLS】工具栏中的【水路】按钮,在其下拉菜单中单击【密封圈】按钮 ,系统弹出【LTOOLS_O型密封圈槽】对话框。单击【剖视图】和【可见】单选按钮;最后单击【确定】按钮完成设置,如图4-65所示。

图4-65【LTOOLS_O型密封圈槽】对话框
4)关闭对话框后,命令行提示“Pick Base Point”,单击指定前模底边与水路交点为第一点;接着指定第二点,系统自动生成密封圈,如图4-66所示。

图4-66 创建密封圈
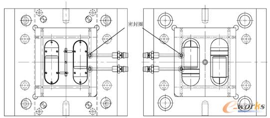
5)根据投影原理,在【LTOOLS_O型密封圈槽】对话框中选择“平面图”密封圈来创建前、后模俯视图中的密封圈,如图4-67所示。

图4-67 在前后模俯视图中创建密封圈