第三章 数字样机的草图绘制及其应用实例

第一节 UG NX草图生成器基础

    草图生成器是一个应用模块,可用于在部件内创建二维几何图形。每个草图都是驻留于指定平面的二维曲线和点的命名集合。用户可以使用草图说明多种设计需求,例如:

    ?  通过扫掠、拉伸或旋转草图到实体或片体,创建详细部件特征。

    ?  创建有成百上千个草图曲线的大型二维概念布局。

    ?  创建构造几何体,如运动路径或间隙圆弧,而不仅是定义某个部件特征。

3.1.1 草图约束

1.约束的功能与类型

    通过约束的几何关系与尺寸关系,草图生成器工具可以完整捕捉设计意图。用约束创建内容易更新且可预见参数驱动的设计。草图生成器评估约束能够确保这些约束完整而无冲突。完全约束的草图具有与草图中的自由度同样多的约束,以使得最终形状中不存在不确定性。当没有要求时,建议用户完全约束定义特征轮廓的草图。

    草图除了用于后续的拉伸、回转和扫掠外,还有如下用途。

    ?  产品结构。

    ?  组件布局。

    ?  基本组件外形。

    ?  部件中的面积/体积限制。

    ?  自由运动的范围/圆弧。

    ?  部件标签或徽标。

    ?  栅格孔的布局。

    这样的草图或多或少需要约束。草图生成器中创建自动判断的约束和自动判断的约束设置命令可方便地在一个草图中混合使用受约束的几何体和无约束的几何体。

    总之,约束可以精确控制草图中的对象,它有两种类型:一是尺寸约束,二是几何约束。

2.尺寸约束与应用实例

    尺寸约束,也称为草图尺寸,可建立草图对象的尺寸(如圆弧半径)或两个对象之间的关系,如两点之间的距离。

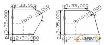
    尺寸约束的显示项包括尺寸文本、延伸线和箭头的制图尺寸。但是尺寸约束又不同于制图尺寸,如果更改尺寸约束值,则草图对象的形状或尺寸也会更改,以控制派生自草图的特征,即草图特征由草图的尺寸所驱动。例如,如图3-1a所示的尺寸约束(已经完全约束)。当尺寸P12的大小由30改为50时,则其几何形状由图3-1a所示变成了图3-1b所示(倾斜直线由向右倾斜变成了向左倾斜)。

 图3-1  尺寸约束

图3-1  尺寸约束

3.几何约束与应用实例

    几何约束建立草图对象的几何特性(如要求直线有固定长度),或两个以上(包含两个)草图对象之间的关系类型(如要求两条直线垂直或平行、几个圆弧有相同的半径,或者一条直线与一个圆弧相切)。

    UG NX的几何约束类型包括水平、竖直、平行、垂直、相切、重合和点在曲线上等,详见表3-1,其应用实例如图3-2所示。

表3-1  UG NX的几何约束类型

 表3-1  UG NX的几何约束类型

 图3-2  几何约束

图3-2  几何约束   

    选择“显示所有约束”命令可以看到所有的几何约束(共有8个,5个相切、2个竖直和1个水平)。选择“不显示约束”命令,可以使得几何约束不可见。也可以用显示/移除约束列出和删除选定的约束。

4.约束行为

    草图约束工具栏上的选项可以应用、移除和编辑约束。

    如图3-3所示,当草图欠约束时,可以自由移动曲线或点,如图3-4所示。移动曲线或点的过程可以录制为视频文件。

    约束也有可能会相互冲突。如果发生这种情况,则冲突的尺寸和几何图形的颜色会发生更改。视觉反馈标识草图不能对给定的当前约束求解。因此,草图显示为上一次的求解情况。

    曲线或顶点也有可能过约束。当对一条曲线或顶点使用过多约束控制它时,会发生这种情况。此时,与之相关的几何图形以及所有尺寸约束的颜色都会发生更改。例如,当在如图3-1a所示的草图上增加标注角度尺寸120°时,则几何图形和尺寸颜色都变成了如图3-5所示的橘黄色(详情参见光盘“各章插图文件”文件夹中对应的彩色图),并且在信息提示行出现“草图包含过约束的几何体”字样。

    完全约束欠约束(去掉一个尺寸)

 图3-3  由完全约束变成欠约束

图3-3  由完全约束变成欠约束

 图3-4  点和曲线移动的一个画面

图3-4  点和曲线移动的一个画面

 图3-5  过约束草图

图3-5  过约束草图

    如果激活创建自动判断的约束选项,UG NX会在用户每次应用一个约束时,对活动的草图进行计算。可以用草图生成器工具栏上的延迟评估选项延迟草图计算,直至用户执行以下操作之一。

    ?  关闭延迟评估选项。

    ?  选择草图生成器工具条上的评估草图。

    ?  退出草图生成器任务环境。

3.1.2 草图绘制

1.草图绘制类型

    (1)按照草图功能,UG NX的草图绘制有如下4种类型。

    1)用于创建基本特征的草图

    这种草图绘制时要先创建适当的基准平面或基准坐标系,然后在上面构建草图。

    2)添加到现有基本特征上的草图

    这种草图绘制时要先选择一个现有基准平面或部件面,或创建一个新的与现有基准平面或部件几何体有适当关系的基准平面,然后在上面构建草图。

    3)原位绘制草图

    当用户希望将草图特征关联到平面对象(如基准平面或面)时,可以创建“原位绘制草图”。例如,图3-6a所示是基准 CSYS 中ZX平面上的原位草图;图3-6b所示是拉伸体面上的原位草图。

    4)基于轨迹绘制草图

    当用户为特征(如变化的扫掠)构建输入轮廓时,可以创建“基于轨迹绘制草图”。如图3-7所示的是完全约束的基于轨迹绘制草图以及产生的变化的扫掠。

 图3-6  原位绘制草图

图3-6  原位绘制草图 

 图3-7  基于轨迹绘制草图

图3-7  基于轨迹绘制草图

    (2)按照草图与特征的关联情况,UG NX的草图有如下两种类型。

    1)内部草图

    用户根据变化的“扫掠”、“拉伸”或“旋转”等命令创建的草图都是内部草图。当用户希望使草图仅与一个特征相关联时,可使用内部草图。

    2)外部草图

    单独使用草图命令创建的草图是外部草图,可以从部件中的任意位置查看和访问。使用外部草图可以保持草图可见,并且可使其可用于多个特征中。

    内部草图和外部草图之间的区别:

    ?  内部草图只能从所属主特征访问;外部草图可以从部件导航器和图形窗口中访问。

    ?  除了草图的所有者,用户不能打开有任何特征的内部草图,除非使草图外部化。一旦使草图成为外部草图,则原来的所有者将无法控制该草图。

2.草图绘制过程

    UG NX草图绘制的一般过程如下。

    (1)选择一个草图平面或路径,并指定水平或竖直参考方向。

    (2)重命名草图。

    (3)选取用户的约束识别和创建选项。

    (4)创建草图。根据设置,草图生成器自动创建若干约束。

    (5)添加、修改或删除约束。

    (6)拖动外形或修改尺寸参数。

    (7)退出草图生成器。

3.1.3 草图编辑

1.打开草图

    尽管部件包含多个草图,但每次只能有一个草图处于活动状态。当给定的草图处于活动状态时,UG NX会将用户创建的任何几何图形添加到该草图中。打开草图的方法取决于这个草图是内部的还是外部的。

    (1)打开内部草图

    1)用首选方法打开属主特征(双击部件导航器中的特征,右键单击该特征,然后选择编辑参数等)。在特征对话框上单击绘制截面步骤激活草图。

    2)在部件导航器中,右键单击属主特征,然后选择编辑草图。请注意,用户可以从“建模”中的部件导航器打开内部草图,但是不能从草图生成器中打开。

    (2)打开外部草图

    1)从“建模”中可以用多种方法打开外部草图,这取决于用户的工作首选项:

    ?  在图形窗口中双击一个草图曲线。

    ?  从部件导航器:双击草图特征,右键单击一个草图,然后选择编辑,选择一个草图并选择编辑→草图,选择一个草图,单击“草图”按钮 。

    ?  选择编辑→草图。将显示“打开草图”对话框,可从列表框中选择一个草图。

    2)从“草图生成器”任务环境内部,可以按以下方法从一个外部草图移到另一个。

    ?  在部件导航器中双击一个草图。

    ?  在部件导航器中右键单击该草图,然后选择编辑。

    ?  从草图生成器工具栏选择一个草图名称。

    ?  选择草图→打开。从“打开草图”对话框中选择一个草图,然后单击“确定”按钮。

    注意:

    如果使用部件导航器双击方法来打开草图,则这些选项不可用。

2.编辑草图曲线

    在表3-2中,列出了草图曲线的编辑项目。

表3-2  草图曲线的编辑项目


表3-2  草图曲线的编辑项目