第一十一章 绘制三维机械零件实例
第四节 普通轴
本实例要完成的普通轴零件如图11-50所示。

图11-50 轴的三维模型
本范例具体的设计方法及步骤如下。
1)新建一个图形文件,该文件采用位于随书光盘“图形样板”文件夹中的“TSM_制图样板.dwt”样板。
2)将该新图形文件另存为“TSM_11_轴.dwg”。
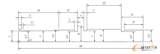
3)在“AutoCAD经典”工作空间中绘制如图11-51所示的封闭的二维图形。其中最长线段位于X轴。

图11-51 绘制二维图形
4)单击“面域”按钮 ,根据命令行提示进行下列操作。
命令: _region
选择对象: 指定对角点: 找到 22 个 //框选所有图形
选择对象:↙
已提取 1 个环。
已创建 1 个面域。
切换到“三维建模”工作空间,接着在功能区“常用”选项卡的“建模”面板中单击“旋转”按钮 ,接着根据命令行提示进行下列操作。
命令: _revolve
当前线框密度: ISOLINES=4,闭合轮廓创建模式 = 实体
选择要旋转的对象或 [模式(MO)]: _MO 闭合轮廓创建模式 [实体(SO)/曲面(SU)] <实体>: _SO
选择要旋转的对象或 [模式(MO)]: 找到 1 个 //选择生成的面域
选择要旋转的对象或 [模式(MO)]: ↙
指定轴起点或根据以下选项之一定义轴 [对象(O)/X/Y/Z] <对象>: X↙
指定旋转角度或 [起点角度(ST)/反转(R)] <360>:↙
旋转结果如图11-52所示。

图11-52 旋转结果
5)在“三维建模”工作空间的“常用”选项卡中,单击“绘图”面板中的“多段线”按钮 ,在绘图区域的空白处绘制如图11-53所示的二维图形。
6)在功能区“常用”选项卡的“绘图”面板中单击“面域”按钮 ,根据命令行提示进行下列操作。
命令: _region
选择对象: 指定对角点: 找到 1 个 //选择刚绘制的二维图形(二维多段线)
选择对象:↙
已提取 1 个环。
已创建 1 个面域。
7)在功能区“常用”选项卡的“建模”面板中单击“拉伸”按钮 ,接着根据命令行提示进行下列操作。
命令: _extrude
当前线框密度: ISOLINES=4,闭合轮廓创建模式 = 实体
选择要拉伸的对象或 [模式(MO)]: _MO 闭合轮廓创建模式 [实体(SO)/曲面(SU)] <实体>: _SO
选择要拉伸的对象或 [模式(MO)]: 找到 1 个 //选择刚建立的面域
选择要拉伸的对象或 [模式(MO)]:↙
指定拉伸的高度或 [方向(D)/路径(P)/倾斜角(T)]: 6↙
8)在功能区“常用”选项卡的“视图”面板中,从“三维导航”下拉列表框中选择“西南等轴测”选项,接着从“视图”面板的“视觉样式”下拉列表框中选择“概念”选项,此时模型效果如图11-54所示。

图11-54 西南等轴测
9)在功能区“常用”选项卡的“修改”面板中单击“复制”按钮 ,复制出一个规格相同的键槽形状的拉伸实体,如图11-55所示。

图11-55 复制出一个拉伸体
10)在功能区“常用”选项卡的“修改”面板中单击“对齐”按钮 ,根据命令行提示进行下列操作。
?
命令: _align
选择对象: 找到 1 个 //选择创建的第一个拉伸体
选择对象:↙
指定第一个源点: ↙ //选择如图11-56所示的圆心作为第一个源点
指定第一个目标点: 8.3,0,4↙
指定第二个源点:↙
对齐结果如图11-57所示。

图11-56 指定第一个源点1 图11-57 对齐结果1
11)使用同样方法,在功能区“常用”选项卡的“修改”面板中单击“对齐”按钮 ,根据命令行提示进行下列操作。
?
命令: _align
选择对象: 找到 1 个 //选择复制生成的拉伸体(第二个键槽拉伸体)
选择对象:↙
指定第一个源点: //选择如图11-58所示的圆心作为第一个源点
指定第一个目标点: 49,0,5↙
指定第二个源点:↙
对齐结果如图11-59所示。

图11-58 指定第一个源点2 图11-59 对齐结果2
12)在功能区“常用”选项卡的“实体编辑”面板中单击“差集”按钮 ,根据命令行提示进行下列操作。
?
命令: _subtract
选择要从中减去的实体、曲面和面域...
选择对象: 找到 1 个 //选择轴的主体(旋转实体)
选择对象:↙
选择要减去的实体、曲面和面域...
选择对象: 找到 1 个 //选择其中的一个键槽拉伸体
选择对象: 找到 1 个,总计 2 个 //选择另一个键槽拉伸体
选择对象:↙
此时,得到的轴模型如图11-60所示。
13)在功能区“常用”选项卡的“视图”面板中,从“视觉样式”下拉列表框中选择“勾画”视觉样式选项,此时可以在绘图区域中观察到如图11-61所示的类似于真实勾画的图形效果。

图11-60 得到的轴零件模型图11-61 使用“勾画”视觉样式
14)按〈Ctrl+S〉组合键快速保存文件。