
1)正常启动AutoCAD 2013软件,选择“文件”→“打开”菜单命令,将“案例\09\连接板-支架.dwg”文件打开,再执行“文件”→“另存为”菜单命令,将其另存为“案例\09\连接板-套筒.dwg”文件。
2)执行“删除(E)”命令,将原有的平面图例进行删除操作,然后再选择“粗实线”图层,使之成为当前图层。
3)执行“矩形(REC)”命令,在空白区域绘制一个92×56的矩形对象,如图9-14所示。

图9-14绘制的矩形
4)执行“分解(X)”命令,将绘制的矩形对象进行分解操作,再执行“偏移(O)”命令,将矩形的边线进行相应的尺寸偏移,如图9-15所示。

图9-15矩形边线偏移
5)选择相应的偏移线段,再将其转换为不同的图层线,并使用“修剪(TR)”命令,修剪掉多余的线段,从而创建套筒的轮廓效果,如图9-16所示。

图9-16套筒轮廓的创建

6)再选择“剖面线”图层,执行“图案填充(H)”命令,对套筒内侧部分位置进行填充,图案为ANSI31,比例为1,填充效果如图9-18所示。

图9-17粗、细实线的区别图9-18图案填充
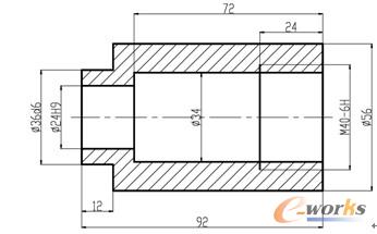
7)切换到“尺寸与公差”图层,对绘制好的套筒平面图进行尺寸标注,如图9-19所示。

图9-19尺寸标注
8)到此,连接板中的套筒零件就绘制完成了,再按〈Ctrl+S〉组合键进行保存。
ICP经营许可证:鄂B2-20080078
(于2003年首获许可证:鄂B2-20030029)
鄂公网安备:420100003343号
© 2002-2025 武汉制信科技有限公司 版权所有
投诉举报电话:027-87592219