
【解】小车左行和右行是不能同时进行的,因此有联锁关系,与电动机的正、反转的梯形图类似,因此先画出电动机正、反转控制的梯形图,如图1-19所示,再在这个梯形图的基础上进行修改,增加四个限位开关的输入,增加两个定时器,就变成了图1-20所示的梯形图。

对于比较复杂的逻辑控制,用经验设计法就不合适了,应采用流程图设计法。流程图设计法无疑是应用最为广泛的设计方法。流程图就是顺序功能图,流程图设计法就是先根据系统的控制要求画出流程图,再根据流程图画梯形图,梯形图可以是基本指令梯形图,也可以是顺控指令梯形图和功能指令梯形图。因此,设计流程图是整个设计过程的关键,也是难点。
用基本指令编写梯形图指令,是最容易被想到的方法,不需要了解较多的指令。采用这种方法编写程序的过程是,先根据控制要求设计正确的流程图,再根据流程图写出正确的布尔表达式,最后根据布尔表达式画基本指令梯形图。以下用一个例子讲解利用基本指令编写梯形图指令的方法。
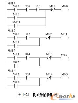
【例1-2】如图1-21所示的气动机械手由A、B、C 3个气缸组成,其接线图如图1-22所示。其工作过程是:当接近开关SQ0检测到有物体时,系统开始工作,气缸A向左运行;到极限位置SQ2后,气缸B向下运行,直到极限位置SQ4为止;接着手指气缸C抓住物体,延时1s;然后气缸B向上运行;到极限位置SQ3后,气缸A向右运行;到极限位置SQ1,此时手指气缸C释放物体,并延时1s,完成搬运工作。电磁阀YV1通电后气缸A向左运行,电磁阀YV2通电后气缸A向右运行,电磁阀YV3通电后,气缸B向下运行,电磁阀YV4通电后,气缸B向上运行,电磁阀YV5通电后,气缸C夹紧,电磁阀YV5断电,气缸C松开。请画出接线图、流程图和梯形图。





这个问题的解决方案仅从逻辑上讲是没有问题的,但解决方案中没有启动按钮,也没有复位和急停功能,因此是没有使用价值的。读者可以考虑一下如何改进以上方案。
流程图和顺控指令梯形图有一一对应的关系,利用顺控指令编写逻辑控制程序有固定的模式,顺控指令是专门为逻辑控制设计的指令,利用顺控指令编写逻辑控制程序是非常合适的。以下用一个例子讲解利用顺控指令编写逻辑控制程序。
【例1-3】 用顺控指令编写例1-2的程序。
【解】 流程图如图1-25所示,程序如图1-26所示。
西门子的功能指令中有许多的特殊的功能,其中功能指令中的移位指令和循环指令非常适合用于顺序控制,用这些指令编写程序简洁而且可读性强。以下用一个例子讲解利用功能指令编写逻辑控制程序。

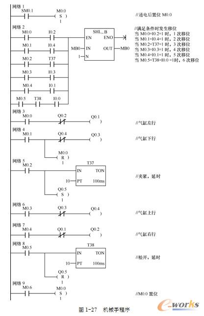
【例1-4】用功能指令编写例1-2的程序。
【解】梯形图如图1-27所示。

复位和置位指令是常用指令,用复位和置位指令编写程序简洁而且可读性强。以下用一个例子讲解利用复位和置位编写逻辑控制程序。
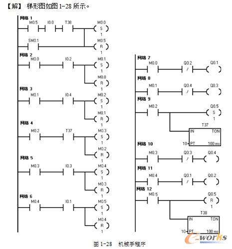
【例1-5】用复位和置位指令编写例1-2的程序。

至此,同一个顺序控制的问题使用了基本指令、顺控指令(有的PLC称为步进梯形图指令)复位和置位指令、功能指令四种解决方案编写程序。四种解决方案的编程都有各自几乎固定的步骤,但有一步是相同的,那就是首先都要画流程图。四种解决方案没有好坏之分,读者可以根据自己的喜好选用。
ICP经营许可证:鄂B2-20080078
(于2003年首获许可证:鄂B2-20030029)
鄂公网安备:420100003343号
© 2002-2025 武汉制信科技有限公司 版权所有
投诉举报电话:027-87592219