功能图(SFC)是描述控制系统的控制过程、功能和特征的一种图解表示方法。它具有简单、直观等特点,不涉及控制功能的具体技术,是一种通用的语言,是IEC(国际电工委员会)首选的编程语言,近年来在PLC的编程中已经得到了普及与推广。
功能图的基本思想是:设计者按照生产要求,将被控设备的一个工作周期划分成若干个工作阶段(简称“步”),并明确表示每一步要执行的输出,“步”与“步”之间通过指定的条件进行转换,在程序中,只要通过正确连接进行“步”与“步”之间的转换,就可以完成被控设备的全部动作。
PLC执行功能图程序的基本过程是:根据转换条件选择工作“步”,进行“步”的逻辑处理。组成功能图程序的基本要素是步、转换条件和有向连线,如图1-1所示。

图1-1
1.步
一个顺序控制过程可分为若干个阶段,也称为步或状态。系统初始状态对应的步称为初始步,初始步一般用双线框表示。在每一步中施控系统要发出某些“命令”,而被控系统要完成某些“动作”,“命令”和“动作”都称为动作。当系统处于某一工作阶段时,如该步处于激活状态,则称为活动步。
2.转换条件
使系统由当前步进入下一步的信号称为转换条件。顺序控制设计法用转换条件控制代表各步的编程元件,让它们的状态按一定的顺序变化,然后用代表各步的编程元件去控制输出。不同状态的“转换条件”可以不同,也可以相同,当“转换条件”各不相同时,在功能图程序中每次只能选择其中一种工作状态(称为“选择分支”),当“转换条件”都相同时,在功能图程序中每次可以选择多个工作状态(称为“选择并行分支”)。只有满足条件状态,才能进行逻辑处理与输出,因此,“转换条件”是功能图程序选择工作状态(步)的“开关”。
3.有向连线
步与步之间的连接线就是“有向连线”,“有向连线”决定了状态的转换方向与转换途径。在有向连线上有短线,表示转换条件。当条件满足时,转换得以实现,即上一步的动作结束而下一步的动作开始,因而不会出现动作重叠。步与步之间必须要有转换条件。
图1-1中的双框为初始步,M0.0和M0.1是步名,I0.0、I0.1为转换条件,Q0.0、Q0.1为动作。当M0.0有效时,输出指令驱动Q0.0。步与步之间的连线称为有向连线,它的箭头省略未画。
4.功能图的结构分类
根据步与步之间的进展情况,功能图分为以下3种结构。
(1)单一顺序
单一顺序动作是一个接一个地完成,完成每步只连接一个转移,每个转移只连接一个步,如图 1-2a所示。根据功能图很容易写出代数逻辑表达式,代数逻辑表达式和梯形图有对应关系,由代数逻辑表达式可写出梯形图,如图1-2b所示。图1-2c和图1-2b的逻辑是等价的,但图1-2c更加简洁(程序的容量要小一些),因此经过3次转化,最终的梯形图是图1-2c。


图1-2 单一顺序
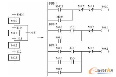
(2)选择顺序
选择顺序是指某一步后有若干个单一顺序等待选择,称为分支,一般只允许选择进入一个顺序,转换条件只能标在水平线之下。选择顺序的结束称为合并,用一条水平线表示,水平线以下不允许有转换条件,如图1-3所示。

图1-3 选择顺序
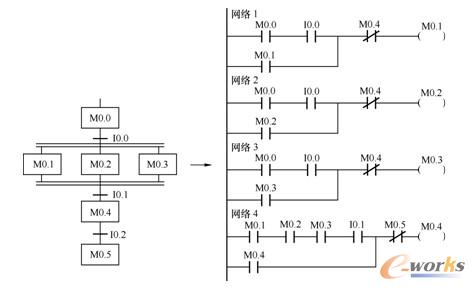
(3)并行顺序
并行顺序是指在某一转换条件下同时启动若干个顺序,也就是说转换条件导致几个分支同时激活。并行顺序的开始和结束都用双水平线表示,如图1-4所示。

图1-4 并行顺序
分页
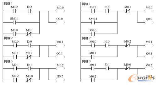
① 状态之间要有转换条件,如图1-5中,状态之间缺少“转换条件”是不正确的,应该改成如图1-6所示的功能图。必要时转换条件可以简化,如将图1-7简化成图1-8。

1.1.2 梯形图编程的原则
尽管梯形图与继电器电路图在结构形式、元件符号及逻辑控制功能等方面相类似,但它们又有许多不同之处,梯形图有自己的编程规则。
① 每一逻辑行总是起于左母线,然后是触点的连接,最后终止于线圈或右母线(右母线可以不画出)。这仅仅是一般原则,S7-200 PLC的左母线与线圈之间一定要有触点,而线圈与右母线之间则不能有任何触点,如图1-11所示。但S7-300 PLC的与左母线相连的不一定是触点,而且其线圈不一定与右母线相连。

② 无论选用哪种机型的PLC,所用元件的编号必须在该机型的有效范围内。例如S7-200 PLC的辅助继电器默认状态下没有M100.0,若使用就会出错,而S7-300 PLC则有M100.0。
③ 梯形图中的触点可以任意串联或并联,但继电器线圈只能并联而不能串联。
④ 触点的使用次数不受限制,例如,只要需要,辅助继电器M0.0可以在梯形图中出现无限制的次数,而实物继电器的触点一般少于8对,只能用有限次。
⑤ 在梯形图中同一线圈只能出现一次。如果在程序中,同一线圈使用了两次或多次,称为“双线圈输出”。对于“双线圈输出”,有些PLC将其视为语法错误,绝对不允许(如三菱FX系列PLC);有些PLC则将前面的输出视为无效,只有最后一次输出有效(如西门子PLC);而有些PLC在含有跳转指令或步进指令的梯形图中允许双线圈输出。
⑥ 西门子PLC的梯形图中不能出现I线圈。
⑦ 对于不可编程梯形图必须经过等效变换,变成可编程梯形图,如图1-12所示。

⑧ 有几个串联电路相并联时,应将串联触点多的回路放在上方,归纳为“多上少下”的原则,如图1-13所示。在有几个并联电路相串联时,应将并联触点多的回路放在左方,归纳为“多左少右”原则,如图1-14所示。这样所编制的程序简洁明了,语句较少。但要注意图1-13a和图1-14a的梯形图逻辑上是正确的。
⑨PLC的输入端所连的电器元件通常使用常开触点,即使与PLC对应的继电器-接触器系统原来使用常闭触点,改为PLC控制时也应转换为常开触点。如图1-15所示为继电器-接触器控制的电动机的启/停控制图,图1-16所示为电动机的启/停控制的梯形图,图1-17所示为PLC控制的电动机启/停控制的接线图。可以看出:继电器-接触器系统原来使用常闭触点SB1和FR,改为PLC控制时,在PLC的输入端变成了常开触点。

【关键点】图1-16的梯形图中I0.1和I0.2用常闭触点,否则控制逻辑不正确。若读者一定要让PLC的输入端的按钮为常闭触点输入也可以(一般不推荐这样使用),但梯形图中I0.1和I0.2要用常开触点,对于急停按钮必须使用常闭触点,若一定要使用常开触点,从逻辑上讲是可行的,但在某些情况下,有可能急停按钮不起作用而造成事故,这是读者要特别注意的。另外,一般不推荐将热继电器的常开触点接在PLC的输入端,因为这样做占用了宝贵的输入点,最好将热继电器的常闭触点接在PLC的输出端,与KM的线圈串联。
ICP经营许可证:鄂B2-20080078
(于2003年首获许可证:鄂B2-20030029)
鄂公网安备:420100003343号
© 2002-2025 武汉制信科技有限公司 版权所有
投诉举报电话:027-87592219