第七章 工厂电气控制设计
第一节 双回路电源高压配电所系统图
7.1.2 高压汇流排
高压电必须经过汇流排才能分配到各条分支线路使用。绘制步骤如下。
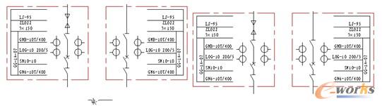
(1)高压汇流排一般是两条平行的线路,中间用常闭开关隔开,起保护作用。单击“修改”面板中的“复制”命令按钮 ,把一个开关复制到两个框图之间,效果如图7-34所示。
(2)单击“修改”面板中的“旋转”命令按钮 ,把复制的开关旋转90°,效果如图7-35所示。

图7-34 复制开关图7-35 旋转开关
(3)单击“修改”面板中的“圆角”命令按钮 ,在如图7-36光标所示位置的两条直线之间倒圆角,圆角半径为0,使常开开关变成常闭开关,效果如图7-37所示。

图7-36 圆角直线图7-37 圆角后效果
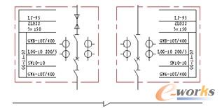
(4)单击“修改”面板中的“拉伸”命令按钮 ,拉长开关两端的直线,使其成为一条高压母线,效果如图7-38所示。

图7-38 形成高压母线
(5)单击“修改”面板中的“拉伸”命令按钮 ,拉长两条高压线下端的直线,使其端点接触到高压母线上如图7-39所示的垂足点,效果如图7-40所示。

图7-39 捕捉垂足图7-40 延伸线头
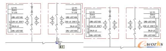
(6)单击“绘图”面板中的“矩形”命令按钮 ,绘制包含高压母线的矩形,效果如图7-41所示。
(7)把步骤6绘制的矩形转换成“功能框”上使用的线型,效果如图7-42所示。

图7-41 绘制矩形图7-42 转换线型
(8)单击“注释”面板中的“多行文字”命令按钮 ,在高压母线上方标注它的电气代号和运行参数,效果如图7-43所示。
(9)单击“修改”面板中的“打断”命令按钮 ,把高压母线的功能框在如图7-44光标所示位置向右打断,使文字处于框线之间,效果如图7-45所示。

图7-43 标注代号和参数图7-44 指示位置
(10)单击“修改”面板中的“拉伸”命令按钮 ,适当调整图形使其整洁紧凑,效果如图7-46所示。

图7-45 打断线条图7-46 调整图形