第七章 工厂电气控制设计
第一节 双回路电源高压配电所系统图
7.1.4 开关柜WL11
绘制步骤如下。
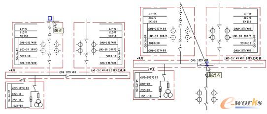
(1)单击“修改”面板中的“复制”命令按钮 ,以图7-72所示端点为复制基准点,以图7-73所示最近点为复制目标点,把虚线所示图形复制一份,效果如图7-74所示。

图7-72 捕捉端点图7-73 捕捉最近点
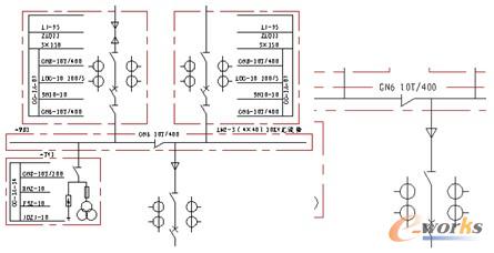
(2)单击“实用程序”面板中的“窗口”命令按钮 ,局部放大刚才复制的线路,预备下一步操作,效果如图7-75所示。
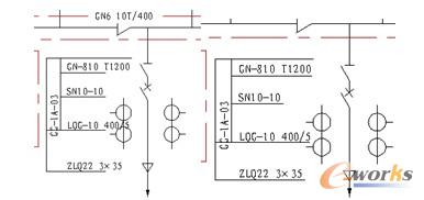
(3)单击“修改”面板中的“拉伸”命令按钮 ,适当调整线路,使三角形位于开关下方,效果如图7-76所示。
(4)单击“修改”面板中的“复制”命令按钮 ,从左边的线符号中复制一个箭头到线路上,效果如图7-77所示。

图7-74 复制线路图7-75 局部放大
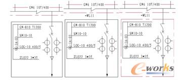
(5)单击“修改”面板中的“镜像”命令按钮 ,以过箭头下端的水平直线为对称轴把箭头对称复制一份,注意删除源对象,效果如图7-78所示。

图7-76 调整线路图7-77 复制箭头图7-78 对称复制箭头
(6)单击“修改”面板中的“复制”命令按钮 ,从左边的图形中将一组文字与直线复制到线路左上边,效果如图7-79所示。
(7)单击“修改”面板中的“复制”命令按钮 ,把直线和文字向下复制 3 份,效果如图7-80所示。
(8)单击“修改”面板中的“复制”命令按钮 ,从左边的图形中复制垂直的文字到线路左边,准备修改成其他文字,效果如图7-81所示。

图7-79 复制直线和文字图7-80 复制文字和直线图7-81 复制垂直的文字
(9)双击文字,在屏幕出现的“多行文字编辑器”面板中把文字改成如图7-82所示的文字。
(10)单击“绘图”面板中的“直线”命令按钮 ,绘制其他直线,准备绘制表格,效果如图7-83所示。

图7-82 编辑文字图7-83 绘制直线
(11)单击“修改”面板中的“拉伸”命令按钮 ,把直线组修改成如图7-84所示表格。
(12)单击“修改”面板中的“移动”命令按钮 ,把电路适当向右移动,效果如图7-85所示。

图7-84 绘制表格图7-85 移动线路
(13)单击“绘图”面板中的“矩形”命令按钮 ,绘制包含本电路的矩形,效果如图7-86所示。
(14)单击“注释”面板中的“多行文字”命令按钮 ,在矩形上方标注本电路的文字代号,效果如图7-87所示。
(15)最后把矩形转换成“功能框”上使用的线型,效果如图7-88所示。

图7-86 绘制矩形图7-87 标注文字代号图7-88 转换线型