制信科技
APP
e-works global
个人中心
加盟VIP
登录
加盟VIP
注册
网博会
智能制造评估
需求中心
新闻
业界动态
IT要闻
e-works动态
资讯
记者观察
新闻现场
文库
智能制造
工业机器人
AI
PDM/PLM
MES/MOM
SCM与物流
工业互联网
大数据
ECAD
MCAD
CAE
工控
云计算
智能传感器
EDA
智能制造
工业机器人
AI
PDM/PLM
MES/MOM
SCM与物流
工业互联网
大数据
ECAD
MCAD
CAE
工控
云计算
智能传感器
EDA
专题
特别报道
深度剖析
资料
工业互联网
人工智能
IT基础
MES
APS
PDM/PLM
MCAD
ECAD
智能制造
ERP
工业机器人
能源管理
设备管理
智能物流
target="_blank">传感器
视频
专题集锦
e-works原创
在线讲坛
典型案例
业界观察
现场访谈
e-works咨询
会议培训
全年活动
论坛
培训班
国内考察
国际考察
网上大讲堂
VIP智库
加盟VIP
在线学院
社区
CIO俱乐部
精英
专家
精英面对面
CIO风采
行业
机械
汽车
电子
化工
钢铁
书屋
研究报告
关于e-works
e-works简介
e-works服务
e-works团队
e-works优势
联系e-works
加入e-works
更多
《数字化企业》
e周刊
网站地图
您现在的位置:
e-works
>
智造书屋
>
书籍列表
>
西门子S7-200PLC编程及应用案例精选
> 使用脉冲输出触发步进电动机驱动器
查看您的阅读历史
第一章 分基本指令
第二十零节 使用脉冲输出触发步进电动机驱动器
上一节
返回目录
下一节
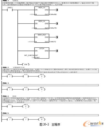
项目20
使用脉冲输出触发步进电动机驱动器
用Q0.0的输出脉冲触发步进电动机驱动器。当输入端I1.0发出“START”信号后,控制器将输出固定数目的方波脉冲,使步进电动机按对应的步数转动。当输入端I1.1发出“STOP”信号后,步进电动机停止转动。输入端I1.5的方向开关用来决定电动机的转动方向为正转或反转。
本项目程序流程图如图20-1所示。
根据工艺要求和流程图编写的程序及注释如图20-2和图20-3所示。
上一节
返回目录
下一节
西门子S7-200PLC编程及应用案例精选
作者:
刘华波
类别:
工业自动化控制
出版社:
机械工业出版社
出版时间:
2009
定价:
¥33.00
京东价:
¥24.80
实际售价以e-works战略合作伙伴当日售价为准
同类图书点击排行榜
西门子S7-200PLC编程及应用案例精选
物联网技术概论
Protel 99 SE 电路原理图与PCB 设计及仿真
虚拟智慧——VMware vSphere运维实录
西门子PLC高级应用实例精解
51单片机快速上手
物联网实验教程
物流智联网
汽车轮胎研发:策略、方法和工具
汽车总线系统