第五章 复合材料分析

第三节 应用实例

5.3.1复合材料分析应用实例解析——复合材料梁弯曲分析

    1.问题描述

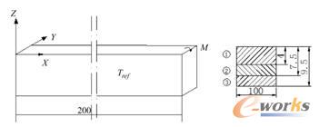
    图5-5所示为一复合材料梁及其横截面的结构示意图,该梁由3层板复合而成,每层板的材料参数见表5-1,在其顶端承受弯矩M=10N·m的作用;梁的初始温度为Tref=0℃,将其均匀加热到温度T=100℃,求梁中间层的应力、应变场分布及支反力。

复合材料梁及其横截面的结构示意图

    图5-5 复合材料梁及其横截面的结构示意图

    表5-1 板的材料参数

板的材料参数

    2.问题分析

    该问题属于复合材料层合板结构分析问题。选择SHELL99壳单元建立平面模型进行求解,根据题意,在分析过程中对一端面上的节点施加全位移约束,将另一端面上的节点沿Y方向的转动位移耦合起来。

    3.求解步骤

    (1)定义工作文件名和工作标题

    1)进入ANSYS/Multiphysics的程序界面后,在菜单Utility Menu中选择File→Change Jobname命令,弹出Change Jobname对话框。在[/FILNAM]Enter new jobname文本框中输入工作名称EXERCISE,单击“OK”按钮,关闭该对话框。

    2)在菜单Utility Menu中选择File→Change Title命令,弹出Change Title对话框,在[/TITLE]Enter new title文本框中输入BENDING OF A COMPOSITE BEAM,单击“OK”按钮,关闭该对话框。

    (2)定义单元类型

    1)在菜单Main Menu中选择Preprocessor→Element Type→Add/Edit/Delete命令,弹出Element Types对话框,单击“Add”按钮,弹出Library of Element Types对话框。在左侧列表栏中选择Structural Shell,在右侧列表栏中选择Linear Layer 99,单击“OK”按钮,定义了SHELL99单元,如图5-6所示。

“单元类型库”对话框

    图5-6 “单元类型库”对话框

    2)单击Element Types对话框上的“Options”按钮,弹出SHELL99 element type options对话框,在Storage of layer data K8下拉列表中选择All layers,如图5-7所示,单击“OK”按钮,关闭对话框。

“SHELL99单元关键字设置”对话框

    图5-7 “SHELL99单元关键字设置”对话框

    3)单击Element Types对话框上的“Close”按钮,关闭对话框。

    (3)定义单元实常数

    1)在菜单Main Menu中选择Preprocessor→Real Constants→Add/Edit/Delete命令,弹出Real Constants对话框。单击“Add”按钮,弹出Element Type for Real Constants对话框。单击“OK”按钮,弹出Real Constant Set Number 1,for SHELL99对话框,在Real Constant Set No.文本框中输入1。单击“OK”按钮,弹出Real Constant Set Number 1,for SHELL99对话框,在Number of layers(250 max) NL文本框中输入3。单击“OK”按钮,弹出Real Constant Set Number 1,for SHELL99对话框,在Layer number 1的3个文本框中分别输入1、0、4,在Layer number 2的3个文本框中分别输入2、0、3.5,在Layer number 3的3个文本框中分别输入3、0、2,如图5-8所示。单击“OK”按钮,关闭对话框。

定义SHELL99单元实常数

    图5-8 定义SHELL99单元实常数

    2)单击Real Constants对话框上的“Close”按钮,关闭对话框。