减速机的作用是利用齿轮的速度转换器,将马达的回转数减速到所要的回转数,并得到较大转矩的机构。减速机种类很多,主要形式有斜齿轮减速机(见图一)、行星齿轮减速机、摆线针轮减速机、蜗轮蜗杆减速机、行星摩擦式机械无级变速机等等,就传动的级数而言有两级、三级、四级的减速机……其内部结构是典型的齿轮传动机构,其根据工况需要,传动齿轮可以是直齿齿轮,斜齿轮或人字齿及其他类型的齿轮,如果输入输出的方向发生变化,内部结构中则需要添加伞齿轮。减速机在我们的实际生活应用很广。

图一 AIP11设计的斜齿轮减速机
因其应用范围广,传动结构具有典型性,所以大学机械系老师都会把减速机的设计作为机械系学生的必修课,以提高机械制造基础的知识和绘图技能。一个简单的二级圆柱齿轮减速机,需要绘制的图纸不超过10张A1图纸,要出具的其内部传动件的选型说明和相关的计算报告需要10-15页左右,采用传统的手动计算耗费的时间,通常是绘制图纸的1.5倍,手工计算过程的繁琐及计算量的浩大可想而知,大量枯燥的计算,极容易让设计者出现人为疲劳,造成设计误差。
今天Autodesk公司的Autodesk Inventor Professional 2008 (以下简称AIP2008)提供了一套完整的解决传统机械设计问题的解决方案。我们就讨论一下,如何使用AIP2008完成一个我们大学时代中必修的二级圆柱齿轮减速机的设计(见图二)。

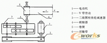
图二 带式运输机的展开式二级圆柱齿轮减速示意图
在大学课设中减速机的设计大致分为三部分标准件选择、设计计算、出图。制定设计任务书,明确从电机选择开始到出具所有设计图纸共有12个流程。在这些流程步骤中,AIP2008可以辅助我们解决其中9个设计流程中的问题:
1.传动方案的设计和拟定;(可使用Inventor软件);
2.电动机的选择;
3.传动装置运动及动力参数计算(可使用Inventor软件);
4.传动零件的设计计算(可使用Inventor软件);
5.轴的计算(可使用Inventor软件);
6.滚动轴承的设计和计算(可使用Inventor软件);
7.键联接的选择和计算(可使用Inventor软件);
8.减速箱的设计和计算 (可使用Inventor软件);
9.连轴器的选择;
10.箱体的模态分析(可使用Inventor软件);
11.润滑方式、润滑油牌号及密封装置的选择;
12.出具工程图(可使用Inventor软件);
这9个流程中,其中1和12 直接使用AIP2008基本建模和工程图功能就可以完成,3、8、10需要AIP2008中运动仿真和有限元分析模块辅助设计者完成工作,3至7则需要使用AIP2008中的设计加速器模块中的功能实现。
设计加速器是Autodesk公司在计算机辅助设计领域着重强调的功能导向设计中的一部分。传统的三维设计软件,采用参数化设计方法,能够生成精美的三维模型,但需要制造样机,然后进行试验,如果不能满足需求,则要修改三维模型,重新制造样机,再进行试验,因此这种效率很低。而通过功能导向设计,不仅用CAD软件来造型,而且可以通过数字化的工程知识库来指导设计工程,并且在设计的早期阶段就可以通过虚拟仿真、可视化等方式,结合设计者的经验,设计出更好的产品,大大缩短设计周期,快速投放市场。
以减速机设计为例,以往设计人员的几何模型的设计和相关计算是完全分开的,利用设计手册中的公式的手工进行传动件的选型和强度计算,再转到机械设计软件中一根线一根线的绘制出相应的二维工程图,或者一个特征一个特征搭建出三维模型。AIP2008中的设计加速器把几何模型的创建和专业的机械理论知识结合到了一起,由设计理论得出的报告结果,然后直接转化为符合实际需求的设计模型,设计知识与概念的直接模型相关联,形成一条龙似的设计链条。现在我们就看一下AIP2008的设计加速器是如何把设计理论与三维造型相结合,从而快速解决传统设计中的问题。
采用AIP2008设计减速机和我们以前设计减速机的设计思路是一样的,都是先从传动系统开始设计,根据已知工况、输入条件和输出要求,确定初步设计方案。我们设计的减速机是用在传输设备中,所以在这里选用通过V带把电动机动力传递给减速机,减速机采用闭式齿轮传动结构(见图二)。根据电动机满载转速和工作机轴转速,得出总传动比为21.53,所以各轴动力参数为:

1、齿轮的设计和校核
1.1 齿轮的参数输入
初步方案确定以后,进入AIP2008的设计加速器环境点选“圆柱齿轮”的计算(见图三),开始对每个齿轮进行设计和强度校核,出具相关的计算报告。在“圆柱齿轮”命令中,有两个主要工具条,分别为“设计”和“计算”,可以对内啮合和外啮合的直齿和斜齿轮直接生成三维模型和进行强度校核。在这里我们希望通过定义高速传动齿轮的输入功率,转速,材料等条件,让软件通过计算自动帮我们设计出尺寸合理的一对斜齿轮。所以我们只在“设计”界面输入我们设计的斜齿轮已确定的参数:传动比、1轴齿轮齿数,及一个预估参数中心距的范围值,和我们的以前手动计算一样,预定义一个螺旋角 β=15°。注意“设计向导”中选择“模数”方式,同时要把“正在接近中心距”设成“齿校正”模式。这样我们才能算出斜齿轮中第一个重要的参数:斜齿轮的中心距(见图四 注意红色标示部分)。

图三 AIP2008设计加速器界面

图四 在圆柱齿轮生成器计算界面定义参数