您现在的位置:e-works > 智造书屋 > 书籍列表 > 德国汽车理论 > 驱动方式

第二章 汽车基本理论和概念

第二节 驱动方式


2.2.2 混合动力驱动链
    混合动力的概念在于,除了以常规的发动机作为驱动能量源,还部分或全部地利用其他形式的能量来驱动。定义上最少有两个不同的能量转换装置,以及两个不同的能量存储器。目前主要是采用内燃机电动机的混合驱动模式。
    相对于内燃机驱动链,就出现了混合动力驱动链,电动机可以作为第二驱动源,也可以在车辆上采用大功率电动机和电子能量存储器的方案。
    对于混合动力车辆来说,电力的消耗是很大的,因为附属设备的能源消耗较大。对于电力的提供,采用由内燃机带动的独立发电机是比较好的方案,体积较小,有利于布置乘员室。
    在车辆上可以采用不同重量和大小的电子能量存储器,可以采用蓄电池或短期存储器(超级电容),同时还可以联合设计制动能量回收系统。
    图2-34所示是一个新型混合动力车辆的例子。超级电容作为电子能量的存储器,被安装在车身门槛处。助力转向、伺服制动、空调系统等设备的电力消耗来源于车辆本身自带的电动机,相应的电子驱动部件被集成在总驱动器内。

混合动力车辆的例子(BMW X3 Concept Efficient Dynamics)

图2-34混合动力车辆的例子(BMW X3 Concept Efficient Dynamics)

    近年来,混合动力发展较快,很多国家都开发了混合动力车辆,其驱动方式也有不同。在常规设计上,混合动力的布局方式分为三种:串联、并联、混合。
    总的来说,目前的混合动力驱动基本采用前置发动机的形式。中置、后置的形式也在考虑中。内燃机可以横置也可以纵置。驱动器可以安排为前轴、后轴或全轮驱动。
    下面简要介绍三种混合动力驱动布局形式:
    1串联式混合动力驱动
    串联式混合动力驱动车辆需要较大的电子安装功率。轮端驱动一直是电力驱动的传统方式,只用内燃机来驱动是不可能的。在内燃机和驱动车轮之间没有直接的力的连接,所需要的驱动能量通过内燃机带动发电机来产生,电子能量存储器作为实时的内燃机和驱动之间的电子缓冲。内燃机发出的功率通过这样一个链来传递:电子/机械驱动(发电机)—电功率转化—电子能量存储器—电功率转化—电子机械驱动(电动机),这些都是串联在一起的。这样就要求电子/机械驱动必须和内燃机功率相匹配。
    发电机承担了所有的内燃机功率,电动机提供所有的车轮驱动功率。
    图2-35和图2-所示是两种不同的串联式混合动力驱动链。可以看出,对于车轮的驱动可以用一根驱动轴同时驱动两个后轮,也可以分别用轮边驱动的方式同时驱动四个车轮。共同点就是:内燃机是直接和发电机连接在一起的,没有离合器。

串联式混合动力驱动方式(带中央驱动)

图2-35串联式混合动力驱动方式(带中央驱动)
串联式混合动力驱动方式(带轮边驱动)

图2-36串联式混合动力驱动方式(带轮边驱动)

    2并联式混合动力驱动
    该种布局和串联式混合动力驱动的最大区别在于内燃机和车轮是有力学连接的。对车轮的驱动需要通过内燃机、电动机分别或联合驱动。电动机可以做得比较小,内燃机也可以设计成较小的功率。
    并联的混合驱动采用了离合器和变速器,如图2-37所示,和内燃机驱动方式类似。这些布局都较适合对目前的传统驱动车辆进行改造,在设计上无需更多的新的结构设计,可略降低总成本。

并联式混合动力驱动方式

图2-37并联式混合动力驱动方式

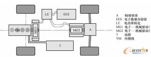
    3混合式混合动力驱动(分支式混合)
    该方案采用的是重叠的驱动方式,内燃机和电动机都同时输出驱动力到同一根轴。图2-38所示为混合式混合动力驱动方式的一个最简单的例子。内燃机的输出功率分成电和力两路输出,通过行星轮系统,分别输出到发电机和电动机上。发动机产生的功率再叠加到输出轴上。在一些方案中采用了离合器,此方案采用的是减振阻尼。
    这种布置的缺点在于需要设计较大的电子功率。另外最少需要两套电子—机械驱动,还必须在内燃机上产生一些使行星轮系运行所需要的反力矩。

混合式混合动力驱动方式

图2-38混合式混合动力驱动方式

    量产车中采用此形式驱动的最著名例子是丰田的混合动力汽车普锐斯,如图2-39和图2-40所示。方案中一个横向布置的系统集成了非常简单和紧凑的力学关系。该系统的设计特点是:行星轮系具有固定的变速档位,电动机、发电机和内燃机三者共同组成了对转速的匹配系统。