草图应如下图所示。

4 按ESC 键取消“共线”约束工具。将位于顶部右侧的水平线向下拖动,请注意草图的变化。这称作带约束拖动。
5 再次单击“约束”工具旁边的向下箭头,然后单击“等长”约束工具。单击草图左下方的水平线,然后单击左上方的水平线。使右侧的两条水平线与左下方的直线等长。
草图应如下图所示。

6 按ESC 键取消“约束”工具。拖动右侧的竖直线,请注意草图的变化。因为应用了等长约束,所以拖动竖直线时仍可以保持草图的对称性。
7 在图形背景中,单击鼠标右键并选择“结束”,然后再单击鼠标右键并选择“结束草图”以退出草图。
删除和添加约束
可以从草图中删除约束。显示约束,然后使用快捷菜单上的“删除”选项。
练习:删除约束和添加约束
1 激活“草图 3”。
2 在标准工具栏上,单击“窗口缩放”工具,然后在第三个草图回路周围拖出一个窗口。
第三个草图回路即位于屏幕的中心。

单击工具面板或“二维草图面板”工具栏上的“显示约束”工具。将光标停留在草图左侧的竖直线上, 约束随即显示。
草图应如下图所示。

3 将光标移动到等长约束符号上,然后单击以选中该符号。单击鼠标右键,然后选择“删除”以删除约束。
4 单击工具面板或“二维草图面板”工具栏上的“约束”工具旁边的向下箭头,以打开弹出菜单。单击“水平”约束工具。
5 单击位于草图左侧的圆弧的中心点,然后单击位于草图中心的圆弧的中心点。
对第三个中心点重复此操作。
草图应如下图所示。

6 向位于草图左侧的圆弧和直线应用相切约束。
7 向三个圆弧的半径应用等长约束。
草图应如下图所示。

8 在图形背景中,单击鼠标右键,然后单击“结束草图”以退出草图。
不要保存文件。
约束草图的技巧
■ 关闭自动约束。绘制草图时按住Ctrl 键。
■ 类推约束。绘制草图时将光标移动到其他几何图元,以类推约束。
■ 用等式定义尺寸。双击尺寸,打开“编辑尺寸”对话框。单击参考几何图元,其尺寸标识符将显示在对话框中。可以在数学表达式中使用这些尺寸标识符(例如,D1*2)。基于表达式的尺寸标有fx: 前缀。
■ 忽略某个特殊尺寸的单位。例如,在一个设置为公制尺寸的零件文件中,可以在“编辑尺寸”对话框中输入1 inch。
标注草图尺寸
要保留设计意图,除了几何约束外,草图几何图元通常还需要尺寸标注,以便保持大小和位置。绘制草图时,可以应用几何约束,例如水平约束、竖直约束或平行约束。通常在添加草图几何图元之后添加尺寸。
一般情况下,Autodesk Inventor 中的所有尺寸都是参数化的。这意味着用户可以通过修改尺寸来更改已进行标注的项目的大小。也可以将尺寸指定为计算尺寸,即它反映了项目的大小却不能用来修改项目的大小。
向草图几何图元添加驱动尺寸的过程也是对草图中对象大小和位置添加约束的过程。如果对尺寸值进行更改,草图也将自动更新。
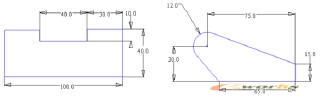
下图显示了已标注尺寸的草图示例。

若要创建尺寸,请使用工具面板或“二维草图面板”工具栏上的“通用尺寸”工具。选择要标注尺寸的草图几何图元,然后单击以放置尺寸。
选择几何图元和放置尺寸的操作可以确定所创建尺寸的类型。例如,如果选择一个圆的边,则会创建半径尺寸。如果选择两个圆的边,则会在它们的圆心之间创建线性尺寸。
放置尺寸
驱动尺寸用于定义草图的大小。添加尺寸后,不能再通过拖动来更改直线或曲线的大小。在 Autodesk Inventor 中,不能将双重尺寸应用于草图。
练习:创建驱动尺寸
1 创建草图或打开现有草图。
2 在草图环境中的工具面板或“二维草图面板”工具栏上,单击“通用尺寸”工具。
3 选择要标注尺寸的草图几何图元,然后拖到一点以显示尺寸。
4 双击尺寸,打开“编辑尺寸”框。
5 输入一个尺寸值。可以输入数值或与其他尺寸或等式相关联的参数名称。如下图所示,基于表达式的尺寸前面带有fx: 前缀。
